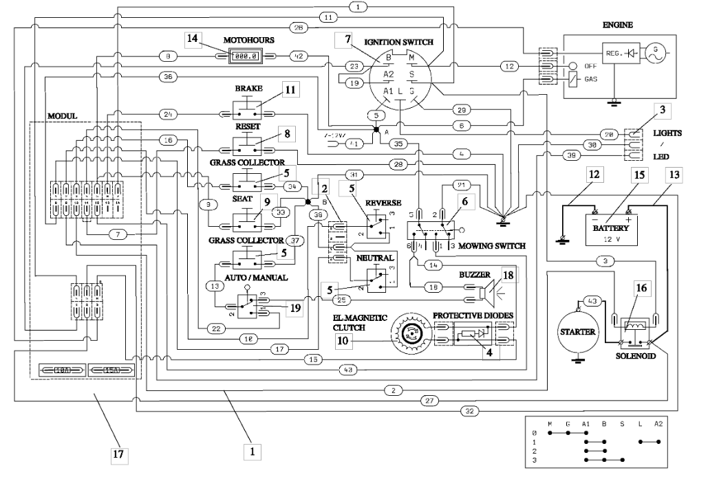
Schaltplan

Zeichnung EFCO Rasentraktor EF 92/13H Cat.2019:

Zeichnung 1

Sollten Sie Fragen zu einem Ersatzteil haben, können Sie uns gerne eine Ersatzteilanfrage stellen.

Hier finden Sie alle Ersatzteile für EFCO Rasentraktor EF 92/13H Cat.2019 aus der Zeichnung Schaltplan:
Artikel 1 - 10 von 17

29,44 € *
Lieferzeit: 2 - 10 Werktage
47,44 € *
Lieferzeit: 2 - 10 Werktage
16,95 € *
Lieferzeit: 2 - 10 Werktage
58,88 € *
Lieferzeit: 2 - 10 Werktage
108,14 € *
Lieferzeit: 2 - 10 Werktage
54,14 € *
Lieferzeit: 2 - 10 Werktage
39,10 € *
Lieferzeit: 2 - 10 Werktage
37,95 € *
Lieferzeit: 2 - 10 Werktage
972,90 € *
Lieferzeit: 2 - 10 Werktage
53,30 € *
Lieferzeit: 2 - 10 Werktage

Artikel 1 - 10 von 17