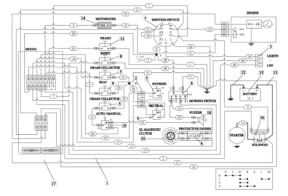
Schaltplan

Zeichnung EFCO Rasentraktor EF 106/16 KH (K1600AVD) Cat. 2015:

Zeichnung 1

Sollten Sie Fragen zu einem Ersatzteil haben, können Sie uns gerne eine Ersatzteilanfrage stellen.

Hier finden Sie alle Ersatzteile für EFCO Rasentraktor EF 106/16 KH (K1600AVD) Cat. 2015 aus der Zeichnung Schaltplan:
Artikel 1 - 17 von 17

29,44 € *
Lieferzeit: 2 - 10 Werktage
47,44 € *
Lieferzeit: 2 - 10 Werktage
16,95 € *
Lieferzeit: 2 - 10 Werktage

Artikel 1 - 17 von 17