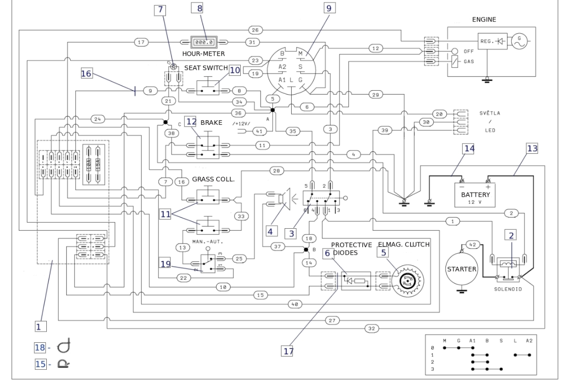
Schaltplan

Zeichnung Oleo-Mac Rasentraktor OM 106S/18H France Cat.2014:

Zeichnung 1

Sollten Sie Fragen zu einem Ersatzteil haben, können Sie uns gerne eine Ersatzteilanfrage stellen.

Hier finden Sie alle Ersatzteile für Oleo-Mac Rasentraktor OM 106S/18H France Cat.2014 aus der Zeichnung für Schaltplan:
Artikel 1 - 18 von 18


Artikel 1 - 18 von 18