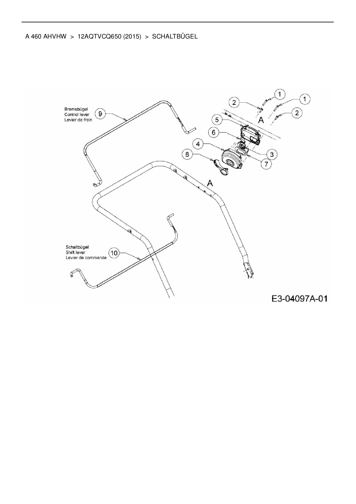
Schaltbügel

Zeichnung für Wolf-Garten Motormäher mit Antrieb A 460 AHVHW mit der Geräte-Artikelnr. 12AQTVCQ650 ab Baujahr 2015:

Zeichnung Schaltbügel

Die Ersatzteil-Zeichnung für Motormäher mit Antrieb Wolf-Garten A 460 AHVHW als Download:
Download Ersatzteil-Zeichnung Wolf-Garten A 460 AHVHW Zeichnung Schaltbügel (PDF-Format)
Download Ersatzteil-Zeichnung Wolf-Garten A 460 AHVHW Zeichnung Schaltbügel (JPG-Format)

Sollten Sie Fragen zu einem Ersatzteil haben, können Sie uns gerne eine E-Mail (mit einem Foto vom Typenschild Ihres Gerätes) schreiben oder eine Ersatzteilanfrage stellen.

Ersatzteile für Motormäher mit Antrieb Wolf-Garten A 460 AHVHW aus der Zeichnung Schaltbügel:
Artikel 1 - 10 von 10


Artikel 1 - 10 von 10