Sammler (1)

Zeichnungen von Stiga Frontaufsitzmäher Lawn sweeper 50 mit Geräte Nr. 13-1950-13 ab Baujahr 2011

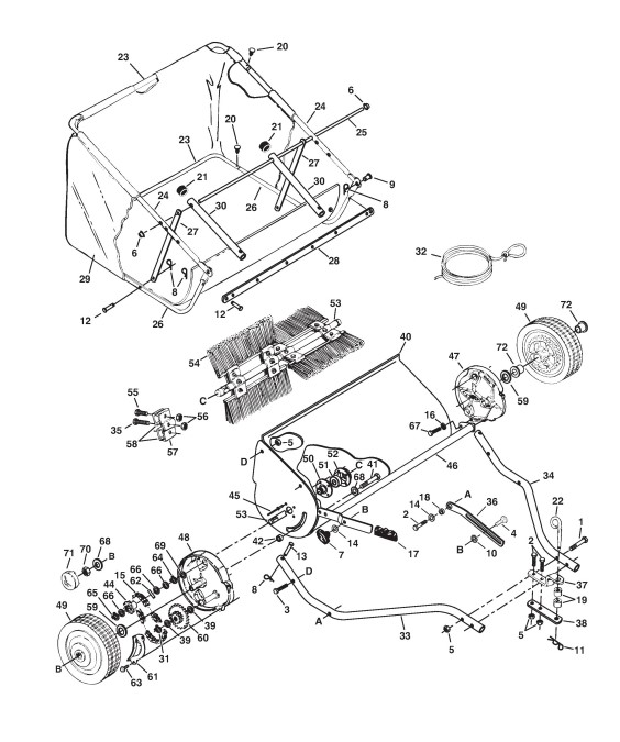
Zeichnung


Beachten Sie bitte, dass die Gerätebezeichnung Stiga Frontaufsitzmäher Lawn sweeper 50, das Baujahr ab 2011 und die Geräte Nr. 13-1950-13 lauten muss, denn nur so kann sichergestellt werden, dass das Ersatzteil passt.
Nur die hier aufgeführten Ersatzteile sind für dieses Gerät verfügbar. Alle anderen Ersatzteile sind nicht mehr lieferbar.
Ersatzteile von Stiga Frontaufsitzmäher Lawn sweeper 42" (Geräte ID 13-1950-13) Baujahr ab Bj 2011:
Artikel 1 - 20 von 33


Artikel 1 - 20 von 33