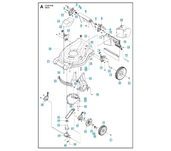
SCHNEIDWERK/MÄHDECK

Ersatzteile für Husqvarna Rasenmäher private Nutzung SCHNEIDWERK/MÄHDECK:

Zeichnung für Husqvarna Rasenmäher private Nutzung SCHNEIDWERK/MÄHDECK

Sollten Sie Fragen zu einem Ersatzteil von Husqvarna Rasenmäher private Nutzung LC221FHE haben, können Sie uns gerne eine Ersatzteilanfrage (mit einem Foto vom Typenschild Ihres Gerätes) stellen.

Folgende Ersatzteile für Husqvarna Rasenmäher private Nutzung SCHNEIDWERK/MÄHDECK können Sie hier bestellen:
Artikel 31 - 47 von 47

10,41 € *
Lieferzeit: 2 - 10 Werktage
8,01 € *
Lieferzeit: 2 - 10 Werktage
6,37 € *
Lieferzeit: 2 - 10 Werktage
48,01 € *
Lieferzeit: 2 - 10 Werktage

Artikel 31 - 47 von 47