Regulierung

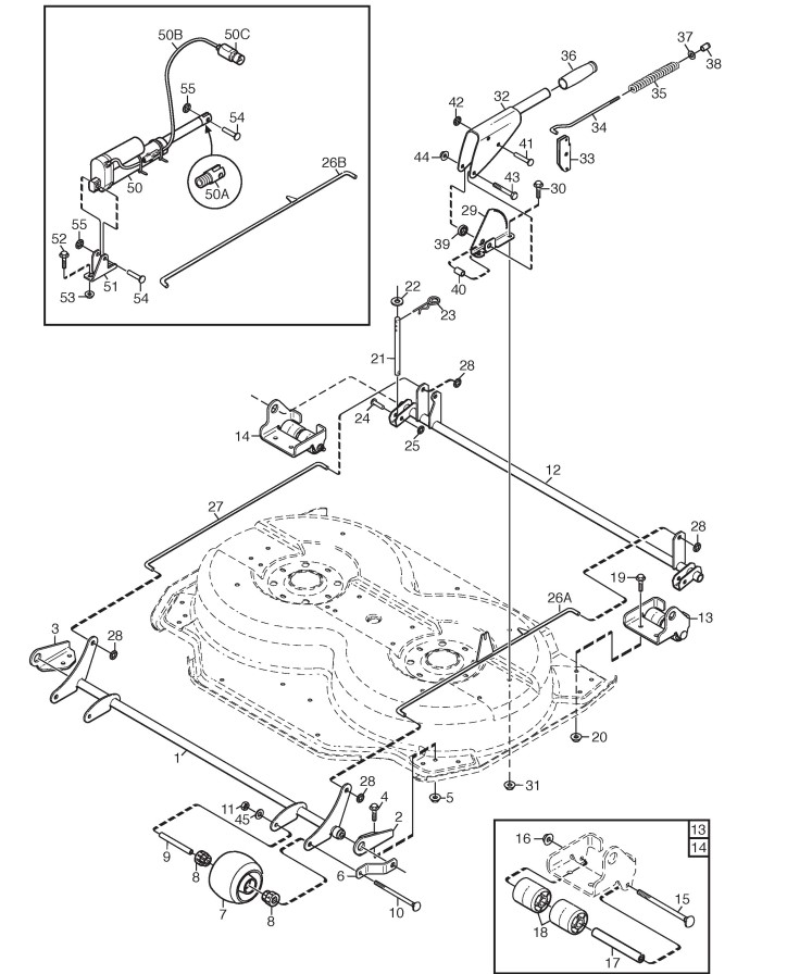
Zeichnung von Castelgarden Park Mähdecks DECK 95 C (2+4WD) (13-2964-74) ab 2010:

Klicken Sie auf diese Zeichnung

Sollten Sie Fragen zu einem Ersatzteil haben, können Sie uns gerne eine Ersatzteilanfrage stellen.

Hier finden Sie alle Ersatzteile von Castelgarden Park Mähdecks DECK 95 C (2+4WD) (13-2964-74) ab 2010 aus der Zeichnung Regulierung:
Artikel 1 - 20 von 45


Artikel 1 - 20 von 45