Raupenantrieb

Zeichnung für MTD Schneefräse Optima ME 66 T mit der Geräte-Artikelnr. 31AY74T3678 ab Baujahr 2015:

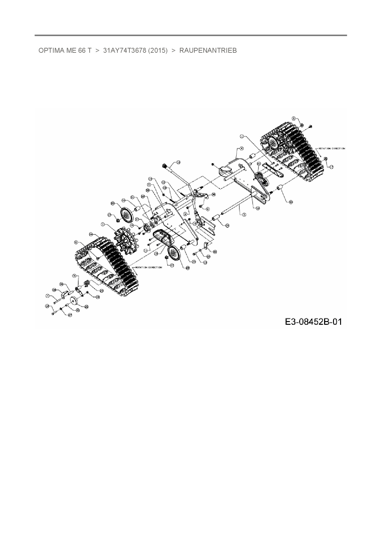
Zeichnung Raupenantrieb

Die Ersatzteil-Zeichnung für Schneefräse MTD Optima ME 66 T als Download:
Download Ersatzteil-Zeichnung MTD Optima ME 66 T Zeichnung Raupenantrieb (PDF-Format)
Download Ersatzteil-Zeichnung MTD Optima ME 66 T Zeichnung Raupenantrieb (JPG-Format)

Sollten Sie Fragen zu einem Ersatzteil haben, können Sie uns gerne eine E-Mail (mit einem Foto vom Typenschild Ihres Gerätes) schreiben oder eine Ersatzteilanfrage stellen.

Ersatzteile für Schneefräse MTD Optima ME 66 T aus der Zeichnung Raupenantrieb:
Artikel 1 - 10 von 29

63,38 € *
Lieferzeit: 2 - 10 Werktage
66,84 € *
Lieferzeit: 2 - 10 Werktage
20,62 € *
Lieferzeit: 2 - 10 Werktage
5,88 € *
Lieferzeit: 2 - 10 Werktage
5,88 € *
Lieferzeit: 2 - 10 Werktage
5,88 € *
Lieferzeit: 2 - 10 Werktage
20,20 € *
Lieferzeit: 2 - 10 Werktage
8,88 € *
Lieferzeit: 2 - 10 Werktage
11,14 € *
Lieferzeit: 2 - 10 Werktage
4,88 € *
Lieferzeit: 2 - 10 Werktage

Artikel 1 - 10 von 29