Rasenmäher (2)

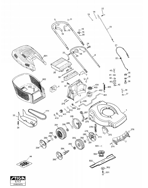
Zeichnung von Stiga Benzin-Rasenmäher ab 2004 Collector 45 S (Geräte Nr 24-3381-20):

Klicken Sie auf diese Zeichnung

Sollten Sie Fragen zu einem Ersatzteil haben, können Sie uns gerne eine Ersatzteilanfrage stellen.

Hier finden Sie alle Ersatzteile von Stiga Benzin-Rasenmäher ab 2004 Collector 45 S (Geräte Nr 24-3381-20) aus dem Zeichnungsblatt Rasenmäher (2):
Artikel 1 - 20 von 32


Artikel 1 - 20 von 32