Rasenmäher (1)

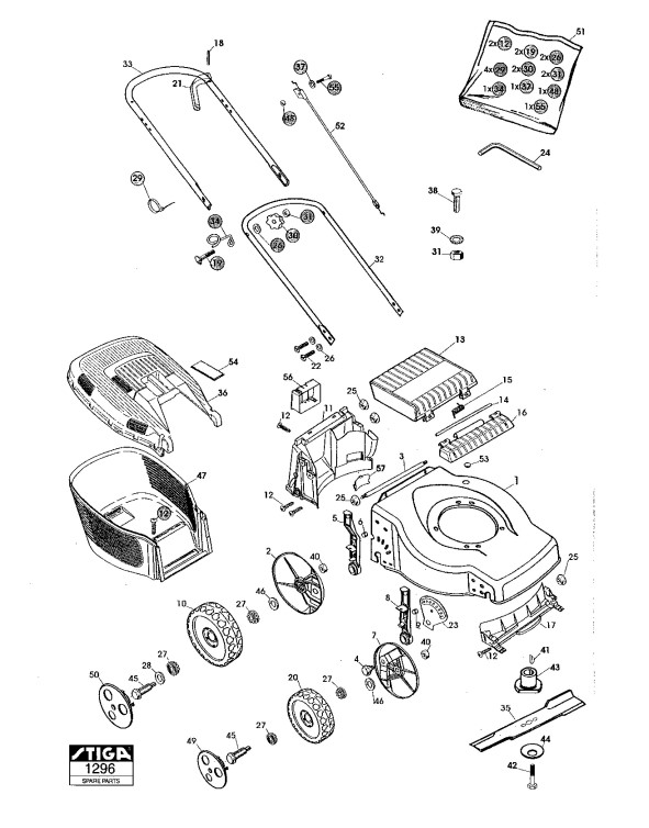
Zeichnung von Stiga Benzin-Rasenmäher ab 2003 Euro 45 (Geräte Nr 24-3781-19):

Klicken Sie auf diese Zeichnung

Sollten Sie Fragen zu einem Ersatzteil haben, können Sie uns gerne eine Ersatzteilanfrage stellen.

Hier finden Sie alle Ersatzteile von Stiga Benzin-Rasenmäher ab 2003 Euro 45 (Geräte Nr 24-3781-19) aus dem Zeichnungsblatt Rasenmäher (1):
Artikel 1 - 40 von 40


Artikel 1 - 40 von 40