Rasenmäher (1)

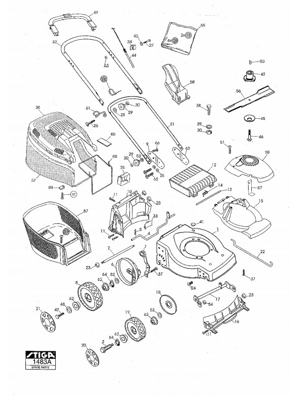
Zeichnung von Stiga Benzin-Rasenmäher ab 2003 Silent 45 Combi (Geräte Nr 24-2781-19):

Klicken Sie auf diese Zeichnung

Sollten Sie Fragen zu einem Ersatzteil haben, können Sie uns gerne eine Ersatzteilanfrage stellen.

Hier finden Sie alle Ersatzteile von Stiga Benzin-Rasenmäher ab 2003 Silent 45 Combi (Geräte Nr 24-2781-19) aus dem Zeichnungsblatt Rasenmäher (1):
Artikel 1 - 10 von 32