Rahmen

Zeichnung für Gartenland Rasentraktor GL 13,5-92 T mit der Geräte-Artikelnr. 13AH773E640 ab Baujahr 2010:

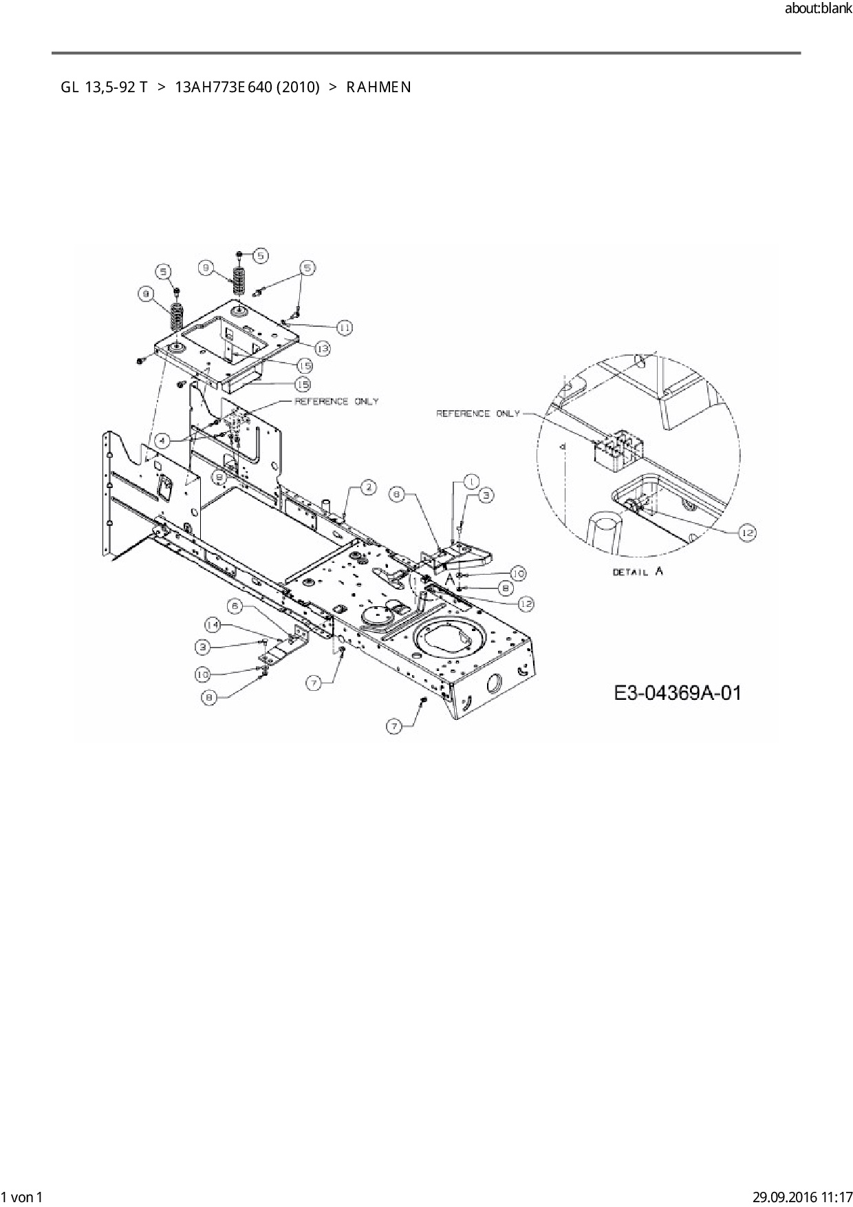
Zeichnung Rahmen

Die Ersatzteil-Zeichnung für Rasentraktor Gartenland GL 13,5-92 T als Download:
Download Ersatzteil-Zeichnung Gartenland GL 13,5-92 T Zeichnung Rahmen (PDF-Format)
Download Ersatzteil-Zeichnung Gartenland GL 13,5-92 T Zeichnung Rahmen (JPG-Format)

Sollten Sie Fragen zu einem Ersatzteil haben, können Sie uns gerne eine E-Mail (mit einem Foto vom Typenschild Ihres Gerätes) schreiben oder eine Ersatzteilanfrage stellen.

Ersatzteile für Rasentraktor Gartenland GL 13,5-92 T aus der Zeichnung Rahmen:
Artikel 1 - 10 von 13


Artikel 1 - 10 von 13