Rahmen

Zeichnung für Cub Cadet Utility Vehicle CubCadet 4X4 Camo mit der Geräte-Artikelnr. 37AP467D603 ab Baujahr 2010:

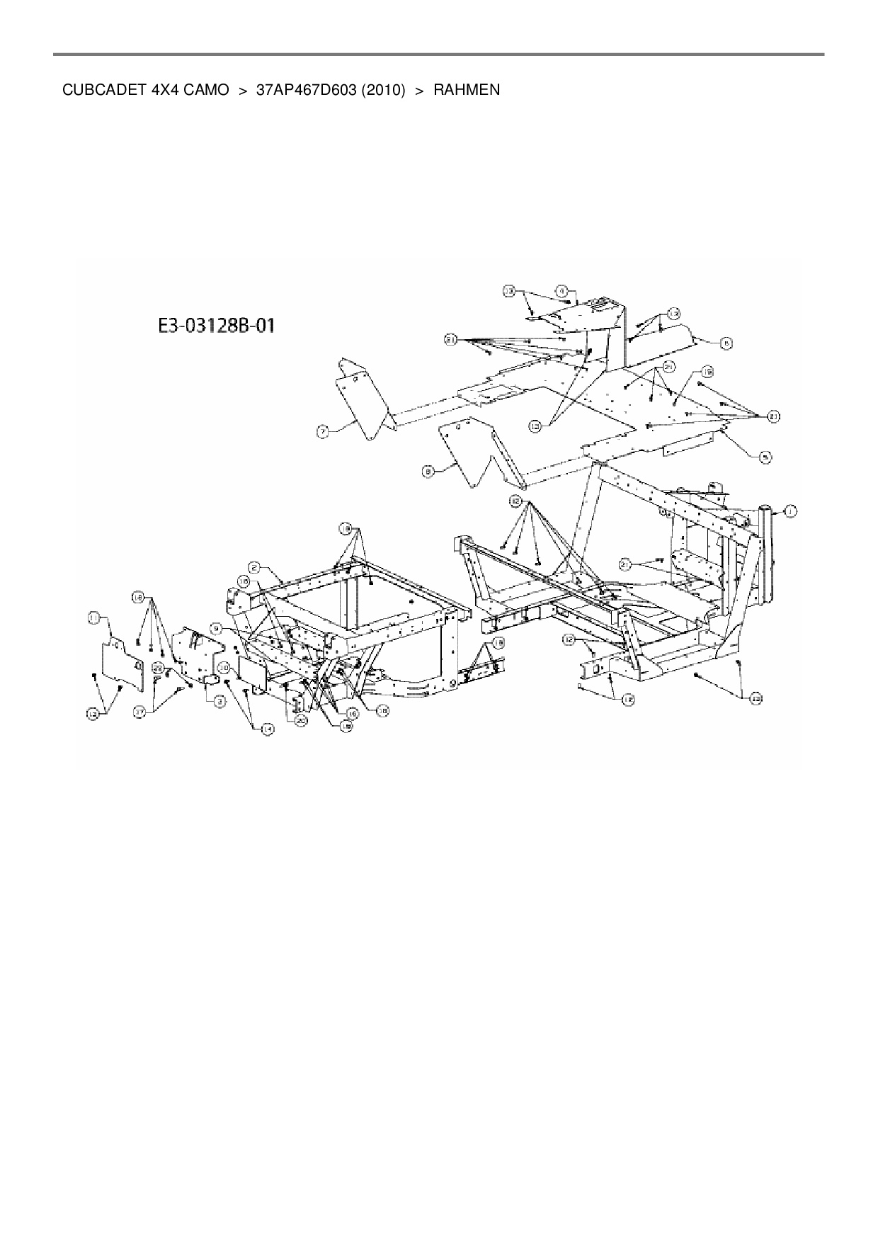
Zeichnung Rahmen

Die Ersatzteil-Zeichnung für Utility Vehicle Cub Cadet CubCadet 4X4 Camo als Download:
Download Ersatzteil-Zeichnung Cub Cadet CubCadet 4X4 Camo Zeichnung Rahmen (PDF-Format)
Download Ersatzteil-Zeichnung Cub Cadet CubCadet 4X4 Camo Zeichnung Rahmen (JPG-Format)

Sollten Sie Fragen zu einem Ersatzteil haben, können Sie uns gerne eine E-Mail (mit einem Foto vom Typenschild Ihres Gerätes) schreiben oder eine Ersatzteilanfrage stellen.

Ersatzteile für Utility Vehicle Cub Cadet CubCadet 4X4 Camo aus der Zeichnung Rahmen:
Artikel 1 - 2 von 2


Artikel 1 - 2 von 2