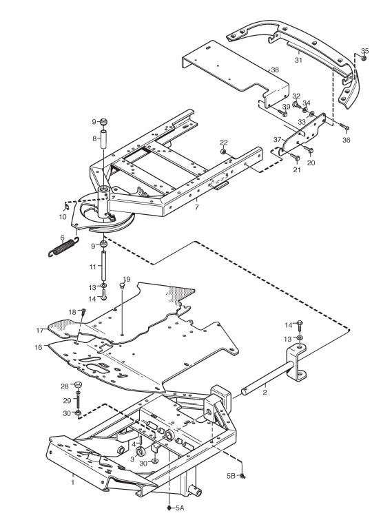
Rahmen

Zeichnungen von Stiga Frontaufsitzmäher Park Compact mit Geräte Nr. 13-6100-22 ab Baujahr 2014

Zeichnung


Beachten Sie bitte, dass die Gerätebezeichnung Stiga Frontaufsitzmäher Park Compact, das Baujahr ab 2014 und die Geräte Nr. 13-6100-22 lauten muss, denn nur so kann sichergestellt werden, dass das Ersatzteil passt.
Nur die hier aufgeführten Ersatzteile sind für dieses Gerät verfügbar. Alle anderen Ersatzteile sind nicht mehr lieferbar.
Ersatzteile von Stiga Frontaufsitzmäher PARK COMPACT SILENT (Geräte ID 13-6100-22) Baujahr ab Bj 2014:
Artikel 1 - 30 von 31


Artikel 1 - 30 von 31