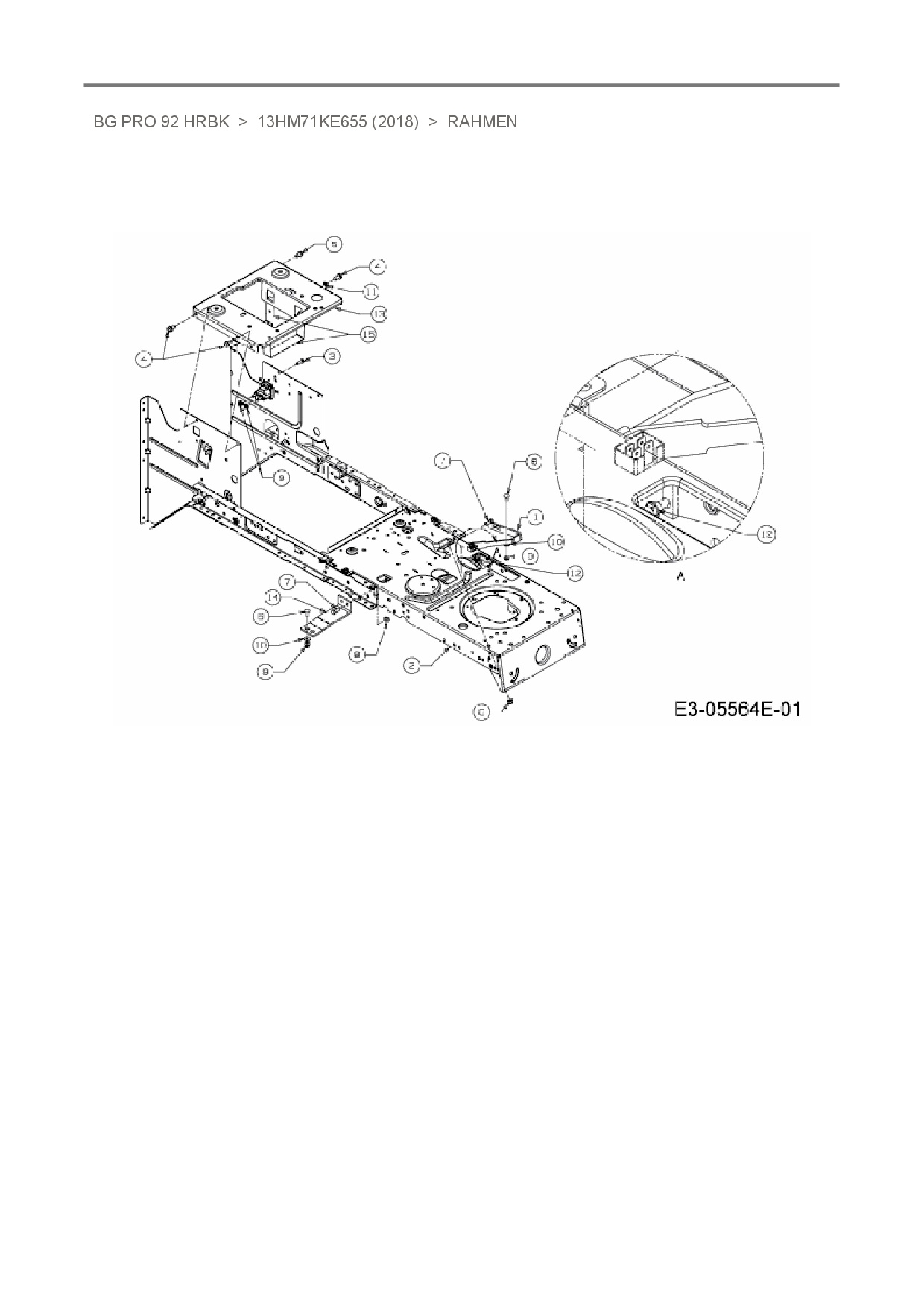
Rahmen

Zeichnung für Bestgreen Rasentraktor BG Pro 92 HRBK mit der Geräte-Artikelnr. 13HM71KE655 ab Baujahr 2018:

Zeichnung Rahmen

Die Ersatzteil-Zeichnung für Rasentraktor Bestgreen BG Pro 92 HRBK als Download:
Download Ersatzteil-Zeichnung Bestgreen BG Pro 92 HRBK Zeichnung Rahmen (PDF-Format)
Download Ersatzteil-Zeichnung Bestgreen BG Pro 92 HRBK Zeichnung Rahmen (JPG-Format)

Sollten Sie Fragen zu einem Ersatzteil haben, können Sie uns gerne eine E-Mail (mit einem Foto vom Typenschild Ihres Gerätes) schreiben oder eine Ersatzteilanfrage stellen.

Ersatzteile für Rasentraktor Bestgreen BG Pro 92 HRBK aus der Zeichnung Rahmen:
Artikel 1 - 10 von 10


Artikel 1 - 10 von 10