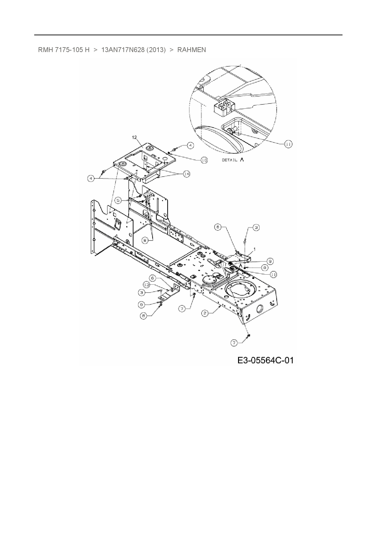
Rahmen

Zeichnung für Raiffeisen Rasentraktor RMH 7175-105 H mit der Geräte-Artikelnr. 13AN717N628 ab Baujahr 2013:

Zeichnung Rahmen

Die Ersatzteil-Zeichnung für Rasentraktor Raiffeisen RMH 7175-105 H als Download:
Download Ersatzteil-Zeichnung Raiffeisen RMH 7175-105 H Zeichnung Rahmen (PDF-Format)
Download Ersatzteil-Zeichnung Raiffeisen RMH 7175-105 H Zeichnung Rahmen (JPG-Format)

Sollten Sie Fragen zu einem Ersatzteil haben, können Sie uns gerne eine E-Mail (mit einem Foto vom Typenschild Ihres Gerätes) schreiben oder eine Ersatzteilanfrage stellen.

Ersatzteile für Rasentraktor Raiffeisen RMH 7175-105 H aus der Zeichnung Rahmen:
Artikel 1 - 9 von 9


Artikel 1 - 9 von 9