Rahmen

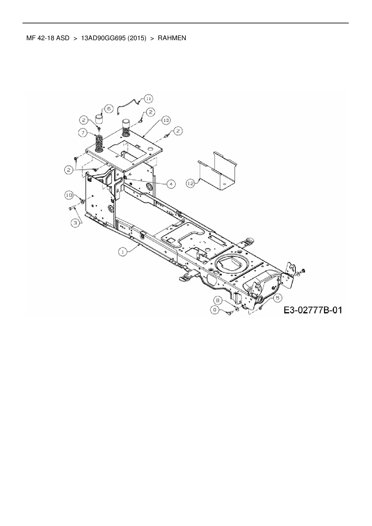
Zeichnung für Massey Ferguson Rasentraktor MF 42-18 ASD mit der Geräte-Artikelnr. 13AD90GG695 ab Baujahr 2015:

Zeichnung Rahmen

Die Ersatzteil-Zeichnung für Rasentraktor Massey Ferguson MF 42-18 ASD als Download:
Download Ersatzteil-Zeichnung Massey Ferguson MF 42-18 ASD Zeichnung Rahmen (PDF-Format)
Download Ersatzteil-Zeichnung Massey Ferguson MF 42-18 ASD Zeichnung Rahmen (JPG-Format)

Sollten Sie Fragen zu einem Ersatzteil haben, können Sie uns gerne eine E-Mail (mit einem Foto vom Typenschild Ihres Gerätes) schreiben oder eine Ersatzteilanfrage stellen.

Ersatzteile für Rasentraktor Massey Ferguson MF 42-18 ASD aus der Zeichnung Rahmen:
Artikel 1 - 12 von 12

38,44 € *
Lieferzeit: 2 - 10 Werktage
56,28 € *
Lieferzeit: 2 - 10 Werktage

Artikel 1 - 12 von 12