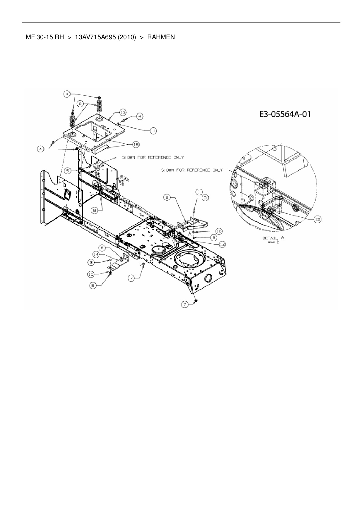
Rahmen

Zeichnung für Massey Ferguson Rasentraktor MF 30-15 RH mit der Geräte-Artikelnr. 13AV715A695 ab Baujahr 2010:

Zeichnung Rahmen

Die Ersatzteil-Zeichnung für Rasentraktor Massey Ferguson MF 30-15 RH als Download:
Download Ersatzteil-Zeichnung Massey Ferguson MF 30-15 RH Zeichnung Rahmen (PDF-Format)
Download Ersatzteil-Zeichnung Massey Ferguson MF 30-15 RH Zeichnung Rahmen (JPG-Format)

Sollten Sie Fragen zu einem Ersatzteil haben, können Sie uns gerne eine E-Mail (mit einem Foto vom Typenschild Ihres Gerätes) schreiben oder eine Ersatzteilanfrage stellen.

Ersatzteile für Rasentraktor Massey Ferguson MF 30-15 RH aus der Zeichnung Rahmen:
Artikel 1 - 10 von 11


Artikel 1 - 10 von 11