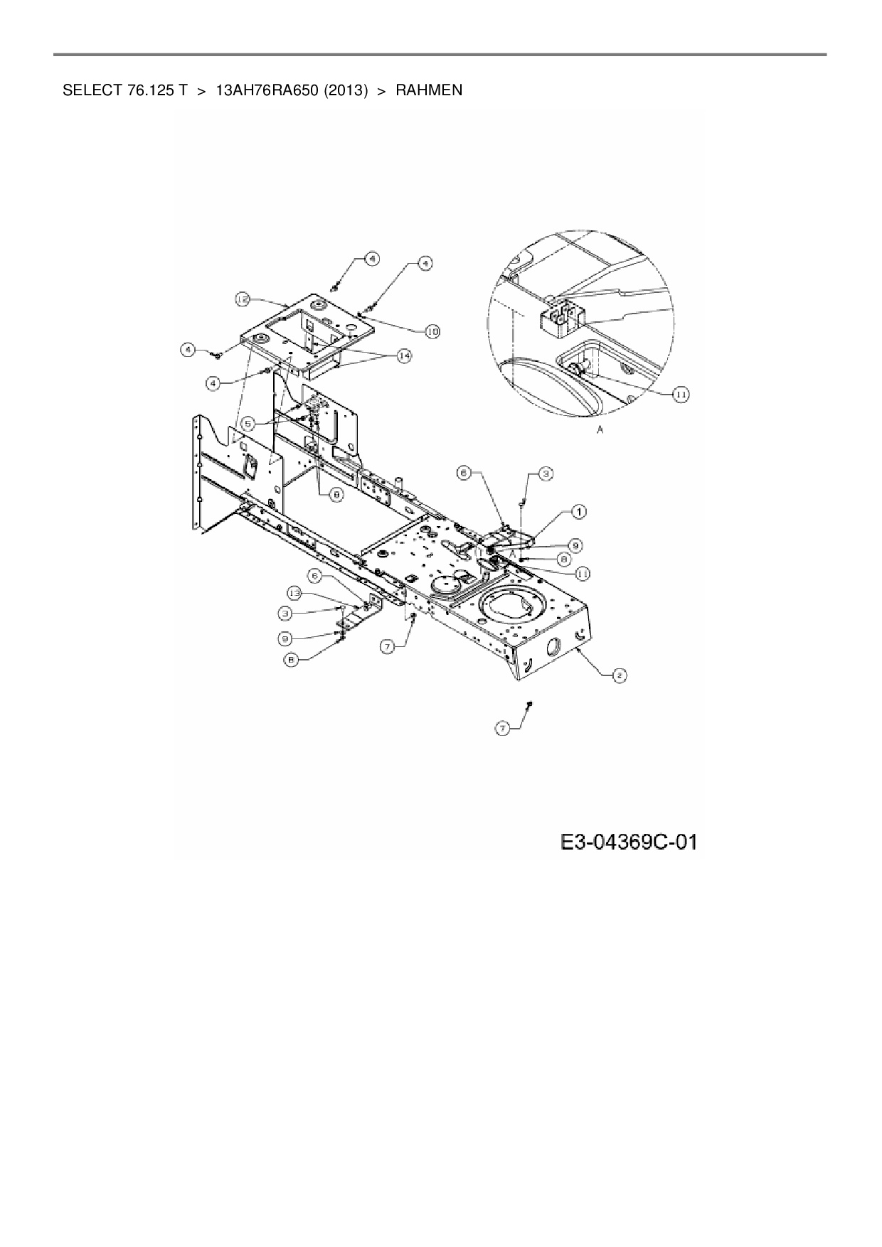
Rahmen

Zeichnung für Wolf-Garten Rasentraktor Select 76.125 T mit der Geräte-Artikelnr. 13AH76RA650 ab Baujahr 2013:

Zeichnung Rahmen

Die Ersatzteil-Zeichnung für Rasentraktor Wolf-Garten Select 76.125 T als Download:
Download Ersatzteil-Zeichnung Wolf-Garten Select 76.125 T Zeichnung Rahmen (PDF-Format)
Download Ersatzteil-Zeichnung Wolf-Garten Select 76.125 T Zeichnung Rahmen (JPG-Format)

Sollten Sie Fragen zu einem Ersatzteil haben, können Sie uns gerne eine E-Mail (mit einem Foto vom Typenschild Ihres Gerätes) schreiben oder eine Ersatzteilanfrage stellen.

Ersatzteile für Rasentraktor Wolf-Garten Select 76.125 T aus der Zeichnung Rahmen:
Artikel 1 - 10 von 13


Artikel 1 - 10 von 13