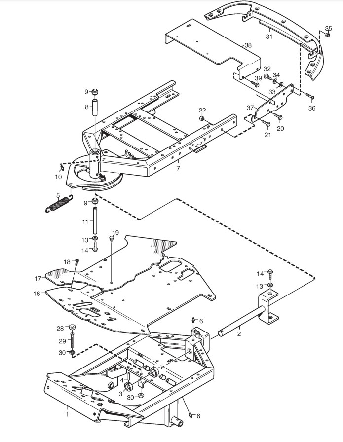
Rahmen 2WD

Zeichnung von Castelgarden Park Compact XK 160 HD (13-6103-89) ab 2008:

Klicken Sie auf diese Zeichnung

Sollten Sie Fragen zu einem Ersatzteil haben, können Sie uns gerne eine Ersatzteilanfrage stellen.

Hier finden Sie alle Ersatzteile von Castelgarden Park Compact XK 160 HD (13-6103-89) ab 2008 aus der Zeichnung Rahmen 2WD:
Artikel 1 - 10 von 29


Artikel 1 - 10 von 29