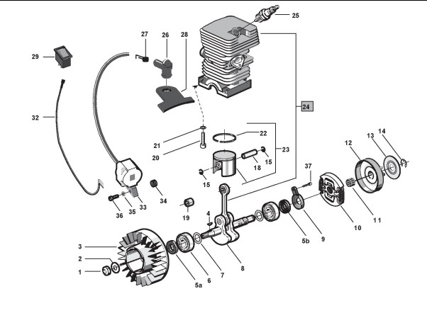
Pleuelwerk und Zylinder

Zeichnung von Castelgarden Benzin Kettensägen XC 36 (222614003/04) ab 2007:

Klicken Sie auf diese Zeichnung

Sollten Sie Fragen zu einem Ersatzteil haben, können Sie uns gerne eine Ersatzteilanfrage stellen.

Hier finden Sie alle Ersatzteile von Castelgarden Benzin Kettensägen XC 36 (222614003/04) ab 2007 aus der Zeichnung Pleuelwerk und Zylinder:
Artikel 1 - 20 von 23


Artikel 1 - 20 von 23