Pedale

Zeichnung für Cub Cadet Rasentraktor CC 1015 RD-E mit der Geräte-Artikelnr. 13CV51CE403 ab Baujahr 2009:

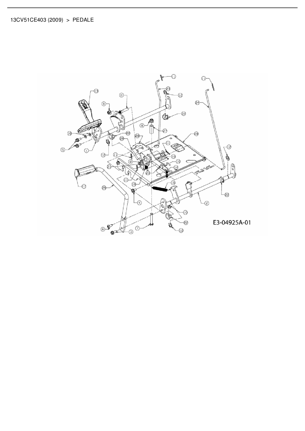
Zeichnung Pedale

Die Ersatzteil-Zeichnung für Rasentraktor Cub Cadet CC 1015 RD-E als Download:
Download Ersatzteil-Zeichnung Cub Cadet CC 1015 RD-E Zeichnung Pedale (PDF-Format)
Download Ersatzteil-Zeichnung Cub Cadet CC 1015 RD-E Zeichnung Pedale (JPG-Format)

Sollten Sie Fragen zu einem Ersatzteil haben, können Sie uns gerne eine E-Mail (mit einem Foto vom Typenschild Ihres Gerätes) schreiben oder eine Ersatzteilanfrage stellen.

Ersatzteile für Rasentraktor Cub Cadet CC 1015 RD-E aus der Zeichnung Pedale:
Artikel 1 - 20 von 27

5,88 € *
Lieferzeit: 2 - 10 Werktage
7,88 € *
Lieferzeit: 2 - 10 Werktage
5,88 € *
Lieferzeit: 2 - 10 Werktage
52,68 € *
Lieferzeit: 2 - 10 Werktage
5,88 € *
Lieferzeit: 2 - 10 Werktage
5,88 € *
Lieferzeit: 2 - 10 Werktage
12,26 € *
Lieferzeit: 2 - 10 Werktage
18,32 € *
Lieferzeit: 2 - 10 Werktage
4,88 € *
Lieferzeit: 2 - 10 Werktage

Artikel 1 - 20 von 27