Parkbremse

Zeichnung für Bestgreen Rasentraktor BG Pro 1392 HRBK mit der Geräte-Artikelnr. 13HH71KE655R ab Baujahr 2017:

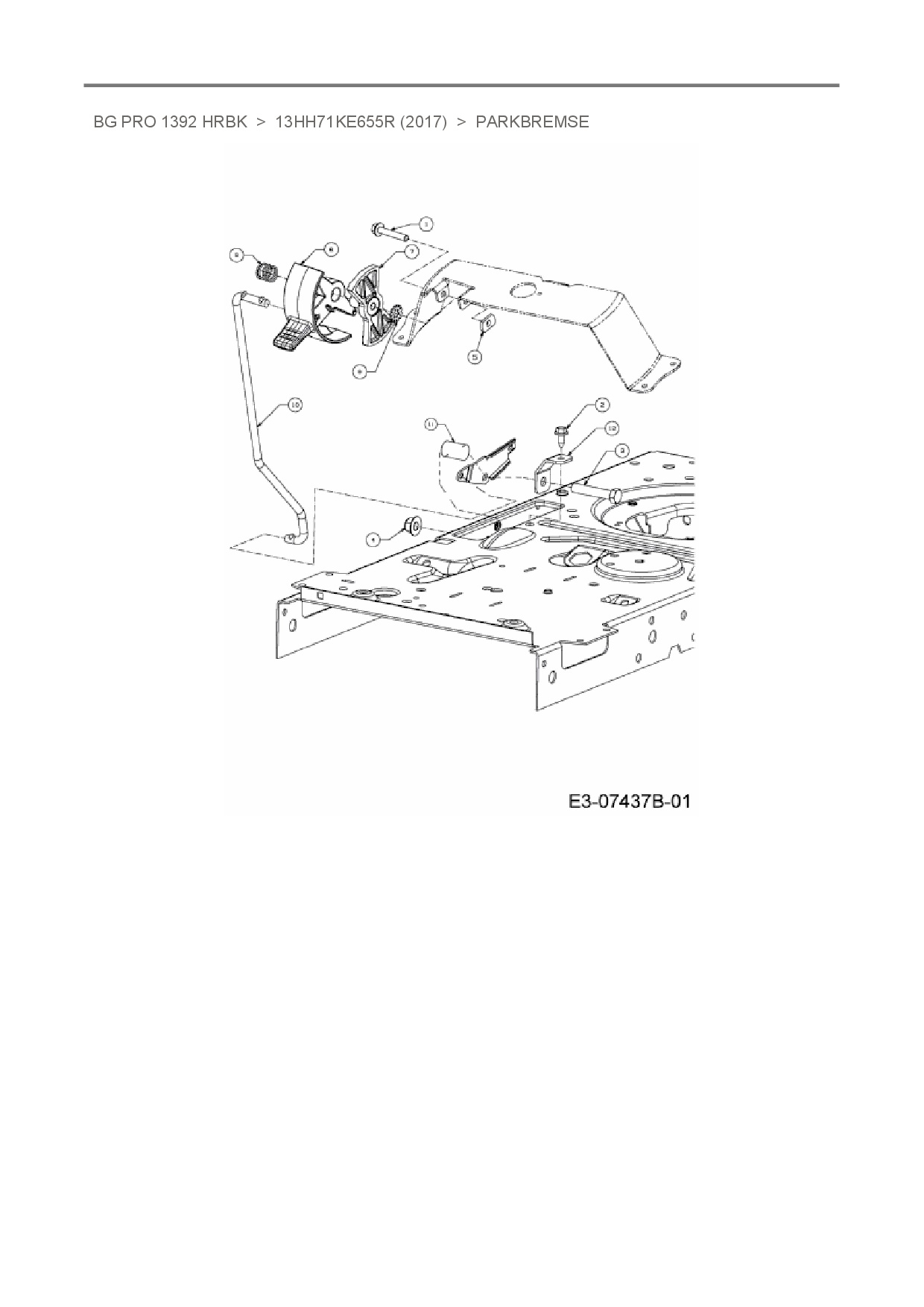
Zeichnung Parkbremse

Die Ersatzteil-Zeichnung für Rasentraktor Bestgreen BG Pro 1392 HRBK als Download:
Download Ersatzteil-Zeichnung Bestgreen BG Pro 1392 HRBK Zeichnung Parkbremse (PDF-Format)
Download Ersatzteil-Zeichnung Bestgreen BG Pro 1392 HRBK Zeichnung Parkbremse (JPG-Format)

Sollten Sie Fragen zu einem Ersatzteil haben, können Sie uns gerne eine E-Mail (mit einem Foto vom Typenschild Ihres Gerätes) schreiben oder eine Ersatzteilanfrage stellen.

Ersatzteile für Rasentraktor Bestgreen BG Pro 1392 HRBK aus der Zeichnung Parkbremse:
Artikel 1 - 12 von 12

13,28 € *
Lieferzeit: 2 - 10 Werktage
15,08 € *
Lieferzeit: 2 - 10 Werktage

Artikel 1 - 12 von 12