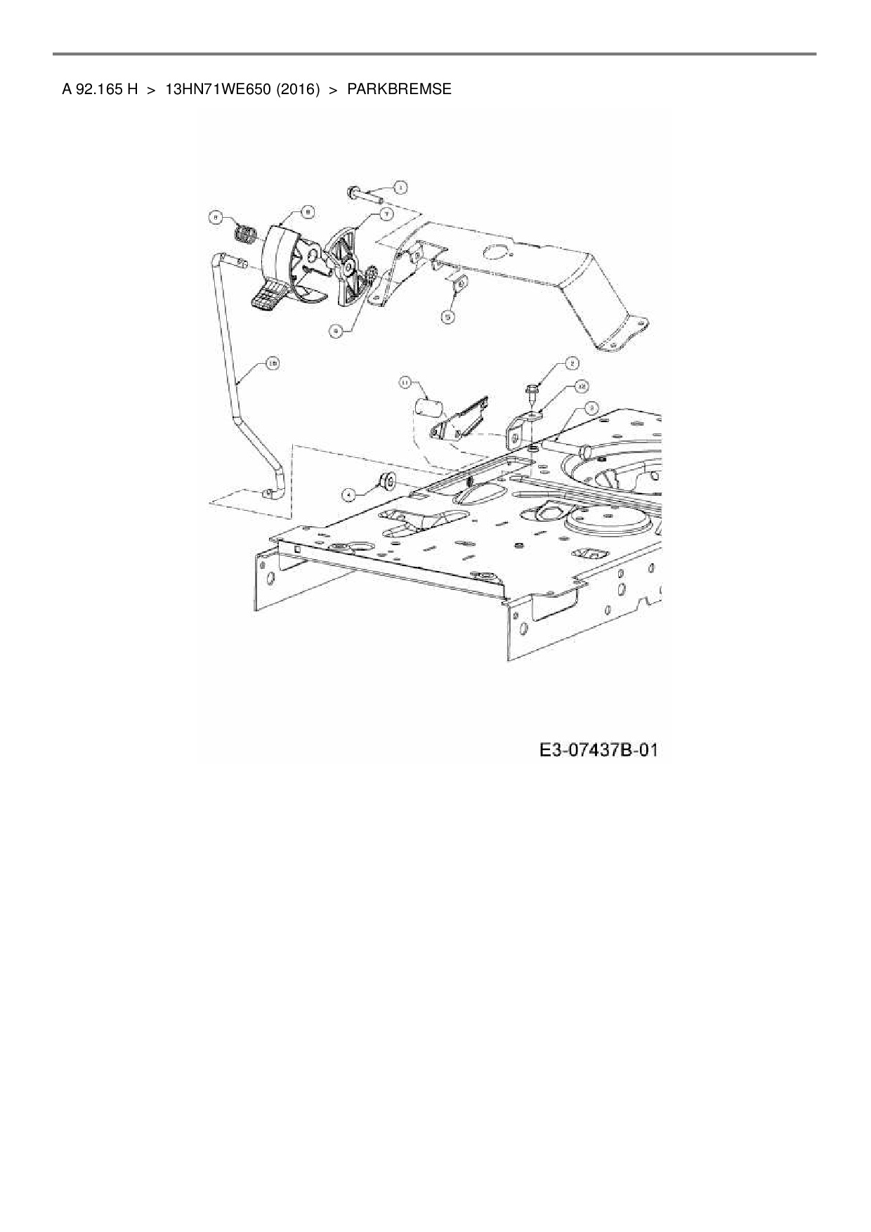
Parkbremse

Zeichnung für Wolf-Garten Rasentraktor A 92.165 H mit der Geräte-Artikelnr. 13HN71WE650 ab Baujahr 2016:

Zeichnung Parkbremse

Die Ersatzteil-Zeichnung für Rasentraktor Wolf-Garten A 92.165 H als Download:
Download Ersatzteil-Zeichnung Wolf-Garten A 92.165 H Zeichnung Parkbremse (PDF-Format)
Download Ersatzteil-Zeichnung Wolf-Garten A 92.165 H Zeichnung Parkbremse (JPG-Format)

Sollten Sie Fragen zu einem Ersatzteil haben, können Sie uns gerne eine E-Mail (mit einem Foto vom Typenschild Ihres Gerätes) schreiben oder eine Ersatzteilanfrage stellen.

Ersatzteile für Rasentraktor Wolf-Garten A 92.165 H aus der Zeichnung Parkbremse:
Artikel 1 - 12 von 12

6,88 € *
Lieferzeit: 2 - 10 Werktage
5,88 € *
Lieferzeit: 2 - 10 Werktage
5,88 € *
Lieferzeit: 2 - 10 Werktage
13,28 € *
Lieferzeit: 2 - 10 Werktage
7,88 € *
Lieferzeit: 2 - 10 Werktage
6,88 € *
Lieferzeit: 2 - 10 Werktage
5,88 € *
Lieferzeit: 2 - 10 Werktage
15,08 € *
Lieferzeit: 2 - 10 Werktage

Artikel 1 - 12 von 12