Ökotec 46 Bio (117888)

Zeichnungen von AL-KO Mulchmäher Ökotec 46 Bio mit der Geräte-Artikelnr. 117888:

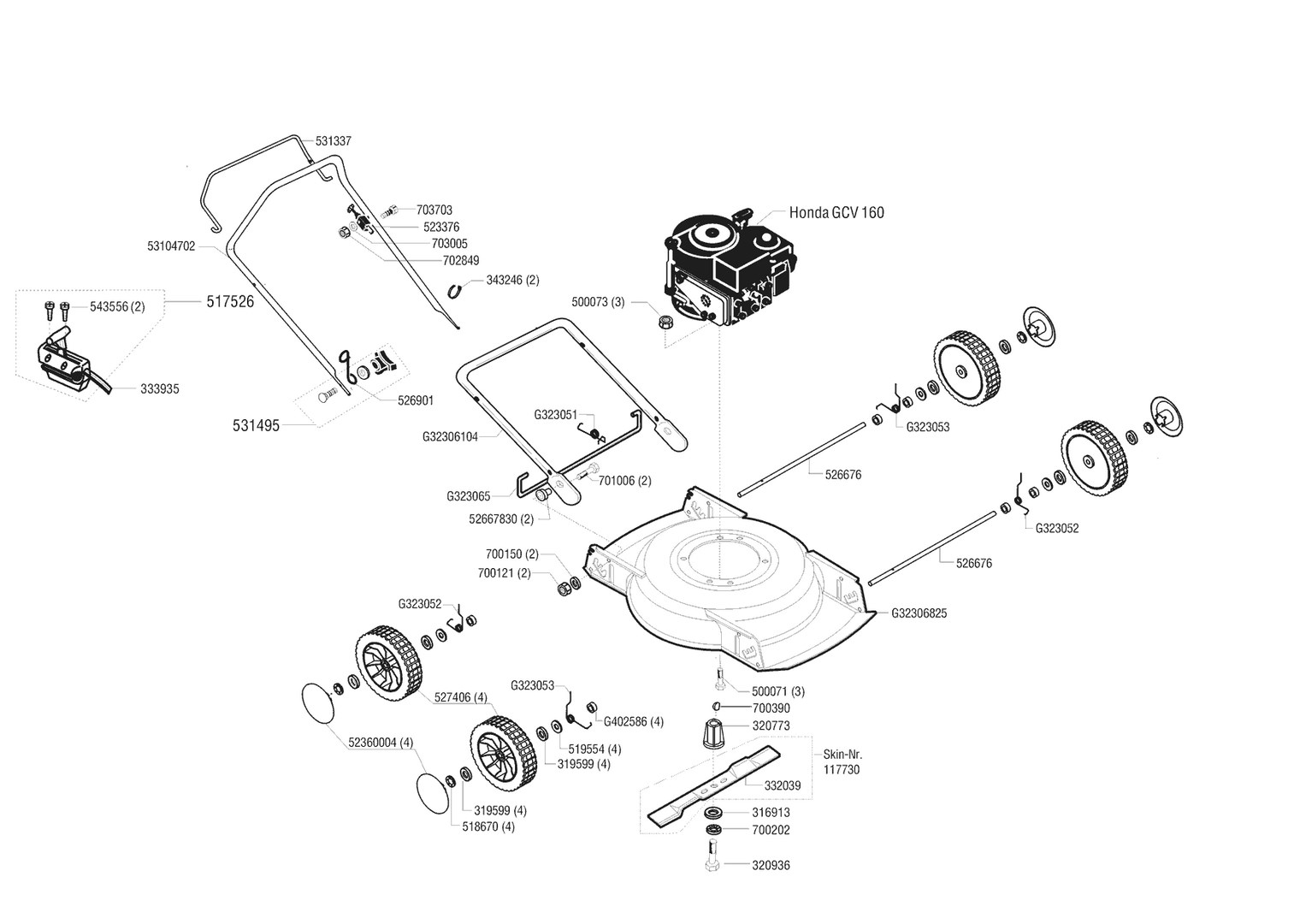
Zeichnung 1

Nicht alle Ersatzteile von AL-KO Mulchmäher Ökotec 46 Bio (117888) sind immer lieferbar/vorrätig.
Sollten Sie Fragen zu einem Ersatzteil haben, können Sie uns gerne Mail schreiben oder eine Ersatzteilanfrage stellen.
Ersatzteile von Mulchmäher Ökotec 46 Bio:
Artikel 1 - 10 von 29


Artikel 1 - 10 von 29