Wählen Sie Ihr Lieferland, um Preise und Artikel für deinen Standort zu sehen.
Motorzubehör
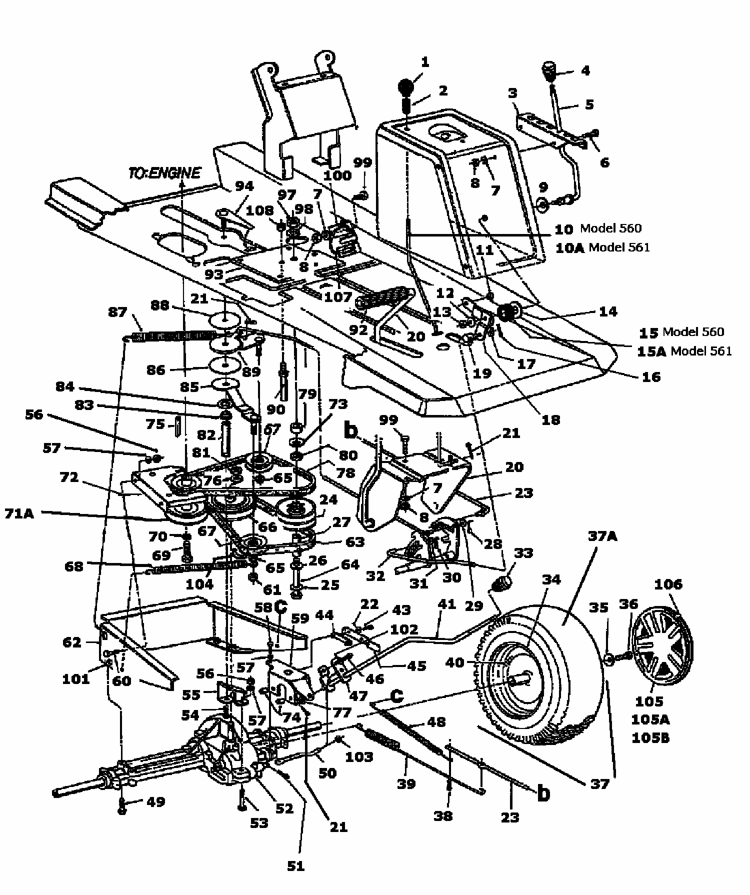
Ersatzteile für Riwall Rasentraktoren RLT 92 H mit der Gerätenr. 13BB715E623 (2021)
Zeichnung Sollten Sie Fragen zu einem Ersatzteil vom Riwall Rasentraktoren RLT 92 H haben, können Sie uns gerne eine E-Mail (mit einem Foto vom Typenschild Ihres Gerätes) schreiben oder eine Ersatzteilanfrage stellen.
Folgende Ersatzteile für Riwall Rasentraktoren RLT 92 H für Gerätenr. 13BB715E623 (2021) der Zeichnungsgruppe Motorzubehör können Sie hier bestellen:
Durch Klicken auf „Alle akzeptieren“ gestatten Sie den Einsatz folgender Dienste auf unserer Website: YouTube, Vimeo, OSS Lieferland Geo-Ip Dienst, PayPal Express Checkout und Ratenzahlung. Sie können die Einstellung jederzeit ändern (Fingerabdruck-Icon links unten). Weitere Details finden Sie unter Konfigurieren und in unserer Datenschutzerklärung.
Datenschutz-Einstellungen
Einstellungen, die Sie hier vornehmen, werden auf Ihrem Endgerät im „Local Storage“ gespeichert und sind beim nächsten Besuch unseres Onlineshops wieder aktiv. Sie können diese Einstellungen jederzeit ändern (Fingerabdruck-Icon links unten).
Informationen zur Cookie-Funktionsdauer sowie Details zu technisch notwendigen Cookies erhalten Sie in unserer Datenschutzerklärung.
Um Inhalte von YouTube auf dieser Seite zu entsperren, ist Ihre Zustimmung zur Datenweitergabe und
Speicherung von Drittanbieter-Cookies des Anbieters YouTube (Google) erforderlich.
Dies erlaubt uns,
unser Angebot sowie das Nutzererlebnis für Sie zu verbessern und interessanter auszugestalten.
Ohne
Ihre Zustimmung findet keine Datenweitergabe an YouTube statt, jedoch können die Funktionen von YouTube
dann auch nicht auf dieser Seite verwendet werden.
Um Inhalte von Vimeo auf dieser Seite zu entsperren, ist Ihre Zustimmung zur Datenweitergabe und
Speicherung von Drittanbieter-Cookies des Anbieters Vimeo erforderlich.
Dies erlaubt uns,
unser Angebot sowie das Nutzererlebnis für Sie zu verbessern und interessanter auszugestalten.
Ohne
Ihre Zustimmung findet keine Datenweitergabe an Vimeo statt, jedoch können die Funktionen von Vimeo
dann auch nicht auf dieser Seite verwendet werden.
Der Geo-Ip Dienst dient lediglich der Bestimmung des Landes aus dem der Benutzer diese Seite besucht, um automatisch länderspezifische Steuersätze und Preise anzuzeigen zu können.
Beschreibung:
Länderbestimmung für länderspezifische Steuersätze
Um Angebote zu erweiterten Zahlungsmöglichkeiten, insbesondere den Express-Checkout und die Zahlung in Raten, zu entsperren, benötigen wir Ihre Zustimmung zur Datenweitergabe und Speicherung von Drittanbieter-Cookies des Zahlungsanbieters PayPal. Dies erlaubt uns, Ihnen auch den Express-Checkout und die Ratenzahlung anzubieten. Ohne Ihre Zustimmung erfolgt nur die technisch notwendige Datenweitergabe an PayPal, jedoch können Sie die erweiterten Angebote zum Express-Checkout oder zur Ratenzahlung dann nicht auf dieser Seite verwenden.
Beschreibung:
Nutzung des Express Checkout und Anzeige von Angeboten zur Ratenzahlung für einzelne Artikel oder Ihren kompletten Einkauf.
Sie möchten diesen Inhalt sehen? Aktivieren Sie den gewünschten Inhalt einmalig oder legen Sie eine dauerhafte Freigabe fest. Bei Zustimmung werden Daten beim genannten Drittanbieter abgerufen. Dabei werden unter Umständen Drittanbieter-Cookies auf Ihrem Endgerät gespeichert. Sie können diese Einstellungen jederzeit ändern (Fingerabdruck-Icon links unten). Weitere Details finden Sie in unserer Datenschutzerklärung.