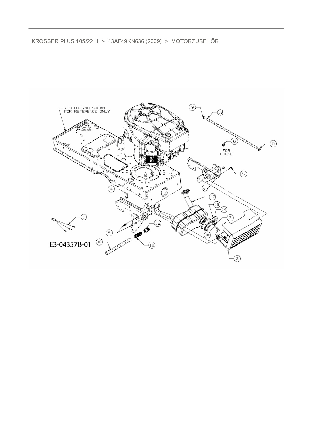
Motorzubehör

Zeichnung für Oleo-Mac Rasentraktor Krosser Plus 105/22 H mit der Geräte-Artikelnr. 13AF49KN636 ab Baujahr 2009:

Zeichnung Motorzubehör

Die Ersatzteil-Zeichnung für Rasentraktor Oleo-Mac Krosser Plus 105/22 H als Download:
Download Ersatzteil-Zeichnung Oleo-Mac Krosser Plus 105/22 H Zeichnung Motorzubehör (PDF-Format)
Download Ersatzteil-Zeichnung Oleo-Mac Krosser Plus 105/22 H Zeichnung Motorzubehör (JPG-Format)

Sollten Sie Fragen zu einem Ersatzteil haben, können Sie uns gerne eine E-Mail (mit einem Foto vom Typenschild Ihres Gerätes) schreiben oder eine Ersatzteilanfrage stellen.

Ersatzteile für Rasentraktor Oleo-Mac Krosser Plus 105/22 H aus der Zeichnung Motorzubehör:
Artikel 1 - 10 von 12


Artikel 1 - 10 von 12