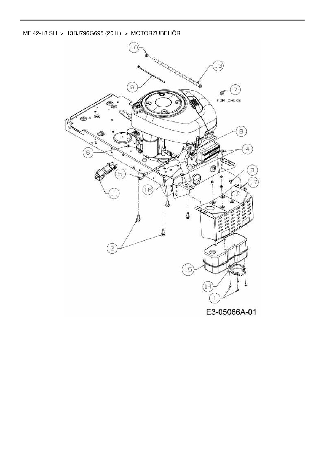
Motorzubehör

Zeichnung für Massey Ferguson Rasentraktor MF 42-18 SH mit der Geräte-Artikelnr. 13BJ796G695 ab Baujahr 2011:

Zeichnung Motorzubehör

Die Ersatzteil-Zeichnung für Rasentraktor Massey Ferguson MF 42-18 SH als Download:
Download Ersatzteil-Zeichnung Massey Ferguson MF 42-18 SH Zeichnung Motorzubehör (PDF-Format)
Download Ersatzteil-Zeichnung Massey Ferguson MF 42-18 SH Zeichnung Motorzubehör (JPG-Format)

Sollten Sie Fragen zu einem Ersatzteil haben, können Sie uns gerne eine E-Mail (mit einem Foto vom Typenschild Ihres Gerätes) schreiben oder eine Ersatzteilanfrage stellen.

Ersatzteile für Rasentraktor Massey Ferguson MF 42-18 SH aus der Zeichnung Motorzubehör:
Artikel 1 - 15 von 15

4,88 € *
Lieferzeit: 2 - 10 Werktage
14,18 € *
Lieferzeit: 2 - 10 Werktage
12,05 € *
Lieferzeit: 2 - 10 Werktage
14,27 € *
Lieferzeit: 2 - 10 Werktage
35,02 € *
Lieferzeit: 2 - 10 Werktage

Artikel 1 - 15 von 15