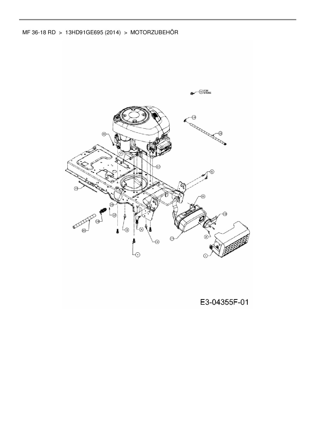
Motorzubehör

Zeichnung für Massey Ferguson Rasentraktor MF 36-18 RD mit der Geräte-Artikelnr. 13HD91GE695 ab Baujahr 2014:

Zeichnung Motorzubehör

Die Ersatzteil-Zeichnung für Rasentraktor Massey Ferguson MF 36-18 RD als Download:
Download Ersatzteil-Zeichnung Massey Ferguson MF 36-18 RD Zeichnung Motorzubehör (PDF-Format)
Download Ersatzteil-Zeichnung Massey Ferguson MF 36-18 RD Zeichnung Motorzubehör (JPG-Format)

Sollten Sie Fragen zu einem Ersatzteil haben, können Sie uns gerne eine E-Mail (mit einem Foto vom Typenschild Ihres Gerätes) schreiben oder eine Ersatzteilanfrage stellen.

Ersatzteile für Rasentraktor Massey Ferguson MF 36-18 RD aus der Zeichnung Motorzubehör:
Artikel 1 - 16 von 16

4,88 € *
Lieferzeit: 2 - 10 Werktage
14,18 € *
Lieferzeit: 2 - 10 Werktage
123,50 € *
Lieferzeit: 2 - 10 Werktage
11,88 € *
Lieferzeit: 2 - 10 Werktage

Artikel 1 - 16 von 16