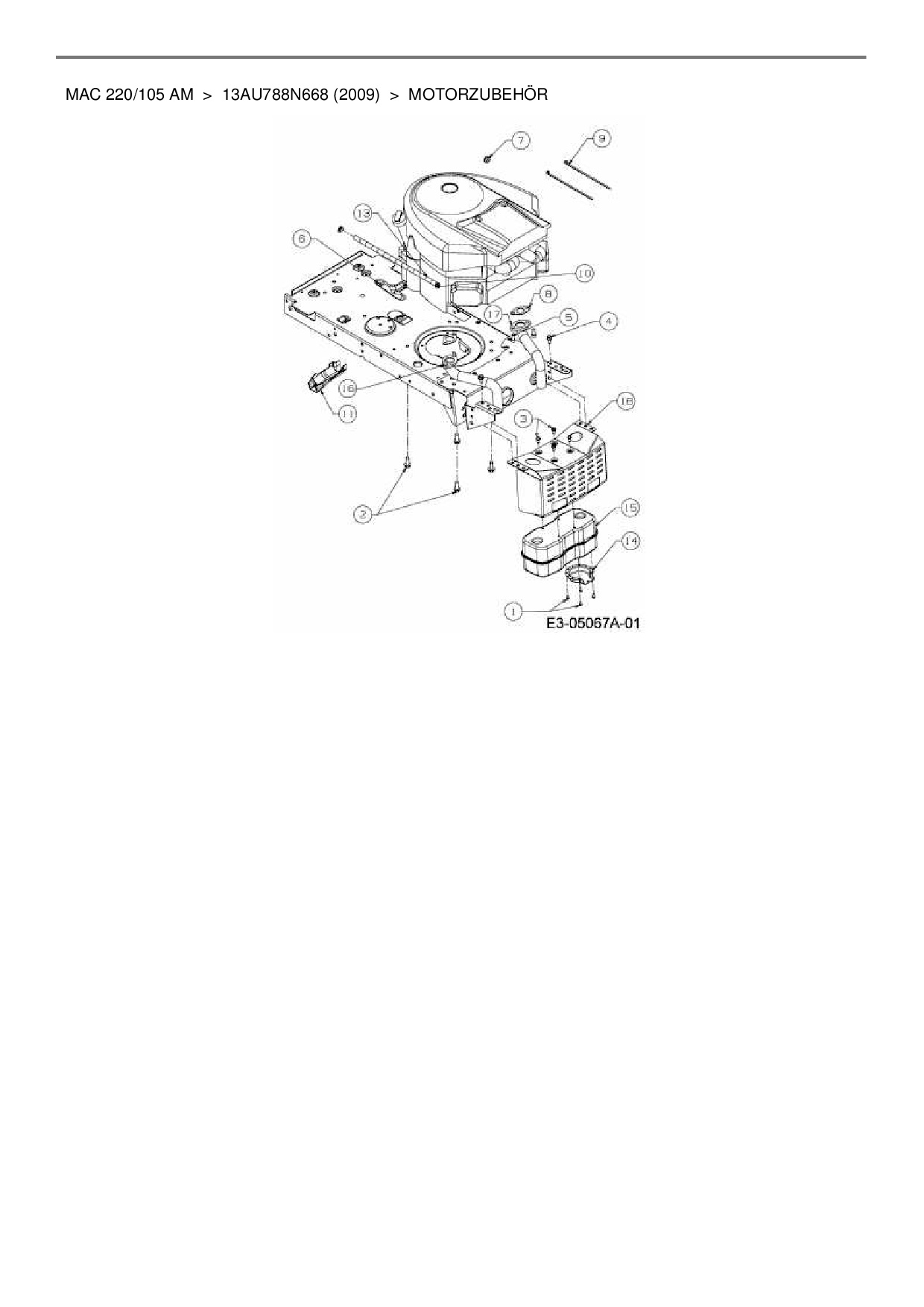
Motorzubehör

Zeichnung für Mac Allister Rasentraktor Mac 220/105 AM mit der Geräte-Artikelnr. 13AU788N668 ab Baujahr 2009:

Zeichnung Motorzubehör

Die Ersatzteil-Zeichnung für Rasentraktor Mac Allister Mac 220/105 AM als Download:
Download Ersatzteil-Zeichnung Mac Allister Mac 220/105 AM Zeichnung Motorzubehör (PDF-Format)
Download Ersatzteil-Zeichnung Mac Allister Mac 220/105 AM Zeichnung Motorzubehör (JPG-Format)

Sollten Sie Fragen zu einem Ersatzteil haben, können Sie uns gerne eine E-Mail (mit einem Foto vom Typenschild Ihres Gerätes) schreiben oder eine Ersatzteilanfrage stellen.

Ersatzteile für Rasentraktor Mac Allister Mac 220/105 AM aus der Zeichnung Motorzubehör:
Artikel 1 - 10 von 16


Artikel 1 - 10 von 16