Motorzubehör

Zeichnung für Wolf-Garten Expert Rasentraktor Expert 107.175 A mit der Geräte-Artikelnr. 13BD90WG650 ab Baujahr 2014:

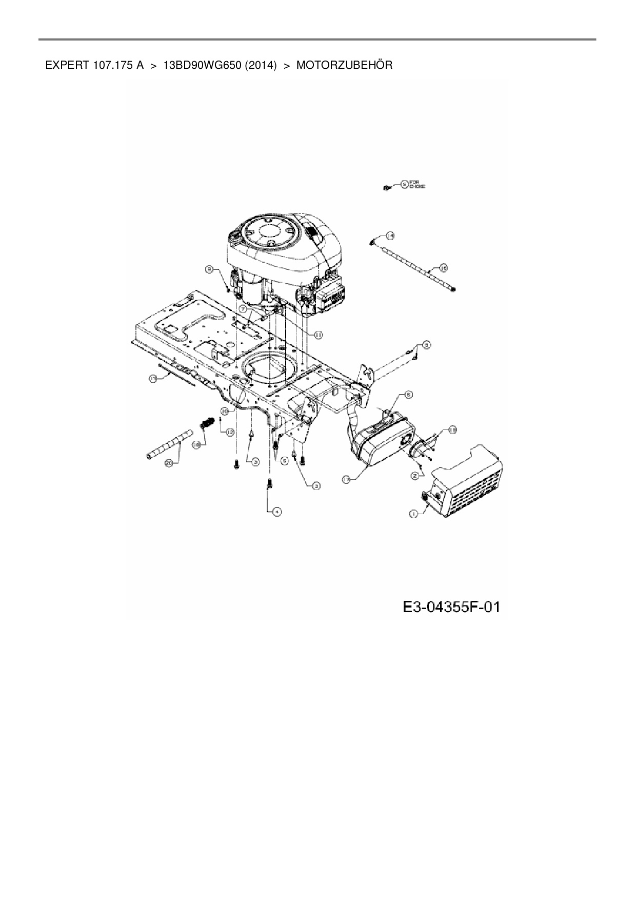
Zeichnung Motorzubehör

Die Ersatzteil-Zeichnung für Rasentraktor Wolf-Garten Expert Expert 107.175 A als Download:
Download Ersatzteil-Zeichnung Wolf-Garten Expert Expert 107.175 A Zeichnung Motorzubehör (PDF-Format)
Download Ersatzteil-Zeichnung Wolf-Garten Expert Expert 107.175 A Zeichnung Motorzubehör (JPG-Format)

Sollten Sie Fragen zu einem Ersatzteil haben, können Sie uns gerne eine E-Mail (mit einem Foto vom Typenschild Ihres Gerätes) schreiben oder eine Ersatzteilanfrage stellen.

Ersatzteile für Rasentraktor Wolf-Garten Expert Expert 107.175 A aus der Zeichnung Motorzubehör:
Artikel 1 - 16 von 16


Artikel 1 - 16 von 16