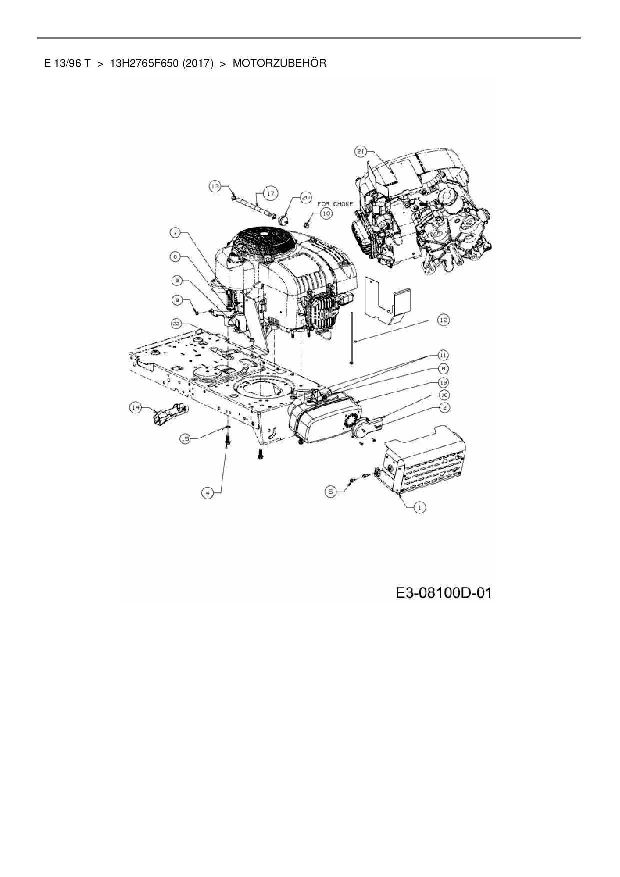
Motorzubehör

Zeichnung für Wolf-Garten Rasentraktor E 13/96 T mit der Geräte-Artikelnr. 13H2765F650 ab Baujahr 2017:

Zeichnung Motorzubehör

Die Ersatzteil-Zeichnung für Rasentraktor Wolf-Garten E 13/96 T als Download:
Download Ersatzteil-Zeichnung Wolf-Garten E 13/96 T Zeichnung Motorzubehör (PDF-Format)
Download Ersatzteil-Zeichnung Wolf-Garten E 13/96 T Zeichnung Motorzubehör (JPG-Format)

Sollten Sie Fragen zu einem Ersatzteil haben, können Sie uns gerne eine E-Mail (mit einem Foto vom Typenschild Ihres Gerätes) schreiben oder eine Ersatzteilanfrage stellen.

Ersatzteile für Rasentraktor Wolf-Garten E 13/96 T aus der Zeichnung Motorzubehör:
Artikel 1 - 10 von 19


Artikel 1 - 10 von 19