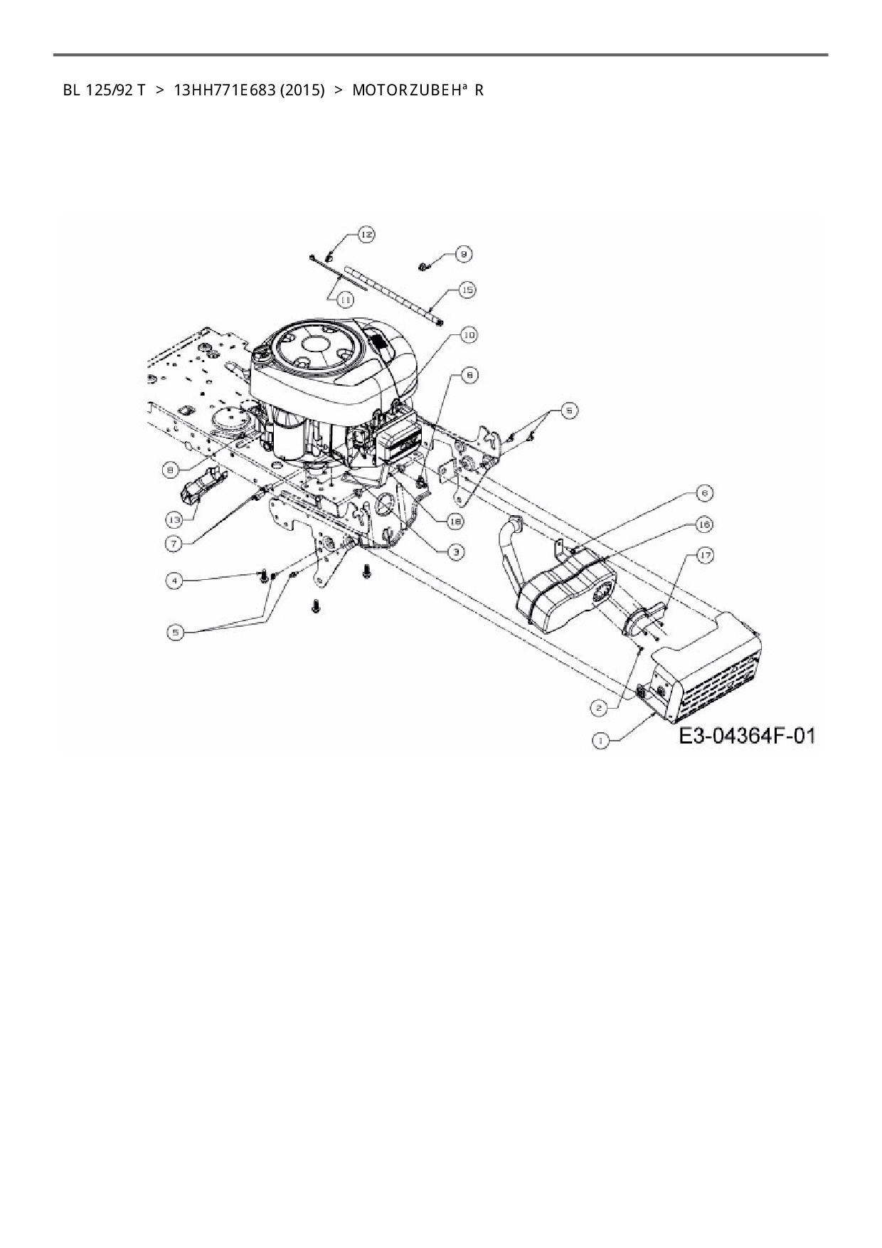
Motorzubehör

Zeichnung für Black-Line Rasentraktor BL 125/92 T mit der Geräte-Artikelnr. 13HH771E683 ab Baujahr 2015:

Zeichnung Motorzubehör

Die Ersatzteil-Zeichnung für Rasentraktor Black-Line BL 125/92 T als Download:
Download Ersatzteil-Zeichnung Black-Line BL 125/92 T Zeichnung Motorzubehör (PDF-Format)
Download Ersatzteil-Zeichnung Black-Line BL 125/92 T Zeichnung Motorzubehör (JPG-Format)

Sollten Sie Fragen zu einem Ersatzteil haben, können Sie uns gerne eine E-Mail (mit einem Foto vom Typenschild Ihres Gerätes) schreiben oder eine Ersatzteilanfrage stellen.

Ersatzteile für Rasentraktor Black-Line BL 125/92 T aus der Zeichnung Motorzubehör:
Artikel 1 - 10 von 16


Artikel 1 - 10 von 16