Motorkeilriemenscheibe

Zeichnung für MTD Rasentraktor 115/92 R mit der Geräte-Artikelnr. 13HH761E612 ab Baujahr 2017:

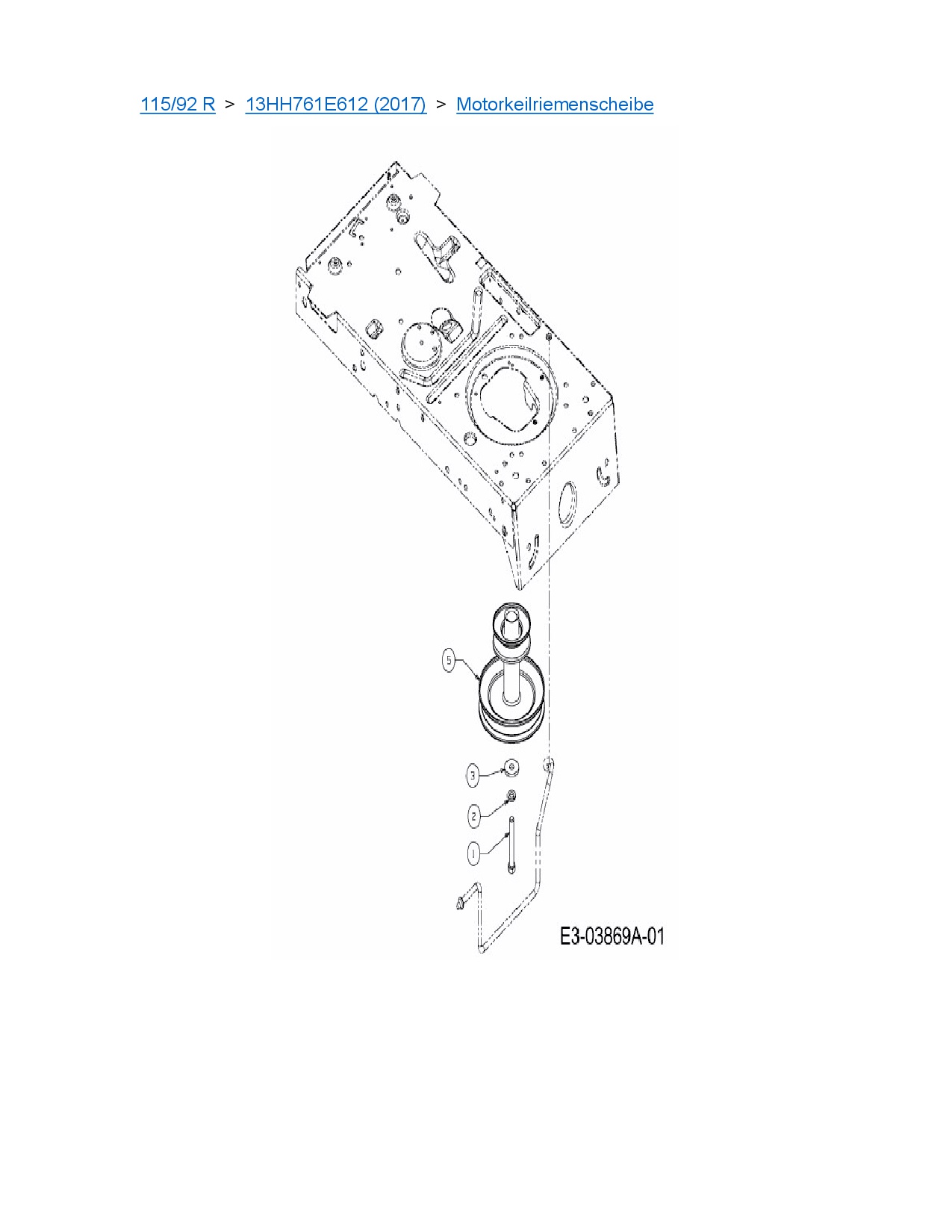
Zeichnung Motorkeilriemenscheibe

Die Ersatzteil-Zeichnung für Rasentraktor MTD 115/92 R als Download:
Download Ersatzteil-Zeichnung MTD 115/92 R Zeichnung Motorkeilriemenscheibe (PDF-Format)
Download Ersatzteil-Zeichnung MTD 115/92 R Zeichnung Motorkeilriemenscheibe (JPG-Format)

Sollten Sie Fragen zu einem Ersatzteil haben, können Sie uns gerne eine E-Mail (mit einem Foto vom Typenschild Ihres Gerätes) schreiben oder eine Ersatzteilanfrage stellen.

Ersatzteile für Rasentraktor MTD 115/92 R aus der Zeichnung Motorkeilriemenscheibe:
Artikel 1 - 4 von 4

5,88 € *
Lieferzeit: 2 - 10 Werktage
4,88 € *
Lieferzeit: 2 - 10 Werktage
10,88 € *
Lieferzeit: 2 - 10 Werktage
204,84 € *
Lieferzeit: 2 - 10 Werktage

Artikel 1 - 4 von 4