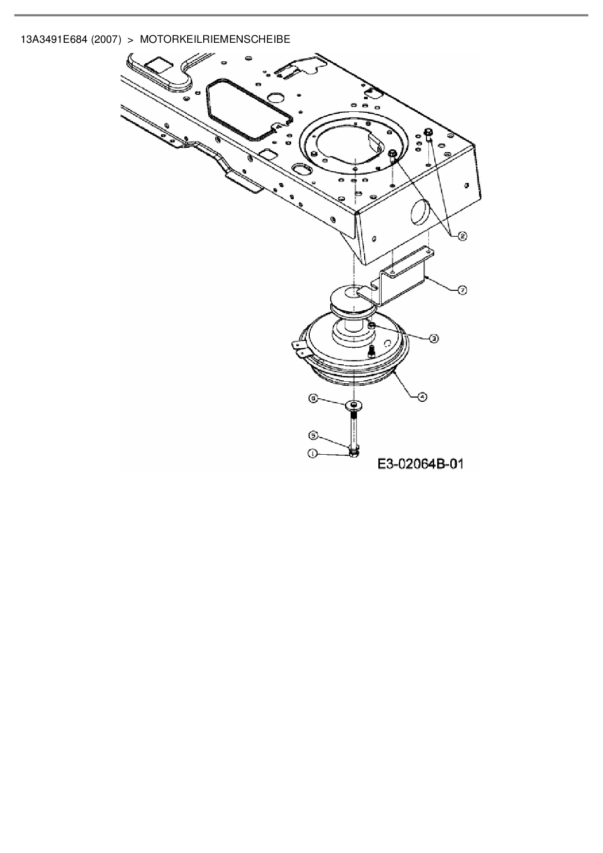
Motorkeilriemenscheibe

Zeichnung für Bolens Rasentraktor BL 175/92 H mit der Geräte-Artikelnr. 13A3491E684 ab Baujahr 2007:

Zeichnung Motorkeilriemenscheibe

Die Ersatzteil-Zeichnung für Rasentraktor Bolens BL 175/92 H als Download:
Download Ersatzteil-Zeichnung Bolens BL 175/92 H Zeichnung Motorkeilriemenscheibe (PDF-Format)
Download Ersatzteil-Zeichnung Bolens BL 175/92 H Zeichnung Motorkeilriemenscheibe (JPG-Format)

Sollten Sie Fragen zu einem Ersatzteil haben, können Sie uns gerne eine E-Mail (mit einem Foto vom Typenschild Ihres Gerätes) schreiben oder eine Ersatzteilanfrage stellen.

Ersatzteile für Rasentraktor Bolens BL 175/92 H aus der Zeichnung Motorkeilriemenscheibe:
Artikel 1 - 6 von 6

8,88 € *
Lieferzeit: 2 - 10 Werktage
5,88 € *
Lieferzeit: 2 - 10 Werktage
4,88 € *
Lieferzeit: 2 - 10 Werktage
422,04 € *
Lieferzeit: 2 - 10 Werktage
4,88 € *
Lieferzeit: 2 - 10 Werktage
10,88 € *
Lieferzeit: 2 - 10 Werktage

Artikel 1 - 6 von 6