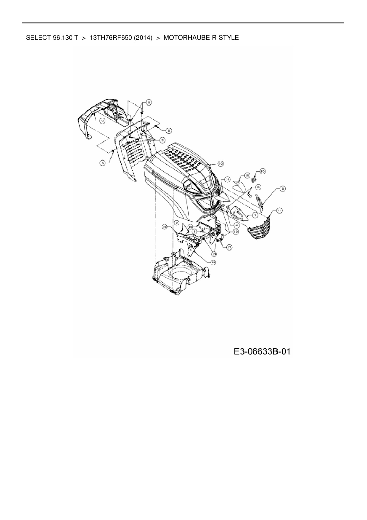
Motorhaube R-Style

Zeichnung für Wolf-Garten Rasentraktor Select 96.130 T mit der Geräte-Artikelnr. 13TH76RF650 ab Baujahr 2014:

Zeichnung Motorhaube R-Style

Die Ersatzteil-Zeichnung für Rasentraktor Wolf-Garten Select 96.130 T als Download:
Download Ersatzteil-Zeichnung Wolf-Garten Select 96.130 T Zeichnung Motorhaube R-Style (PDF-Format)
Download Ersatzteil-Zeichnung Wolf-Garten Select 96.130 T Zeichnung Motorhaube R-Style (JPG-Format)

Sollten Sie Fragen zu einem Ersatzteil haben, können Sie uns gerne eine E-Mail (mit einem Foto vom Typenschild Ihres Gerätes) schreiben oder eine Ersatzteilanfrage stellen.

Ersatzteile für Rasentraktor Wolf-Garten Select 96.130 T aus der Zeichnung Motorhaube R-Style:
Artikel 1 - 10 von 19


Artikel 1 - 10 von 19