Motorhaube K-Style

Zeichnung für Oleo-Mac Rasentraktor Krosser 92/13,5 T mit der Geräte-Artikelnr. 13AH77KE636 ab Baujahr 2009:

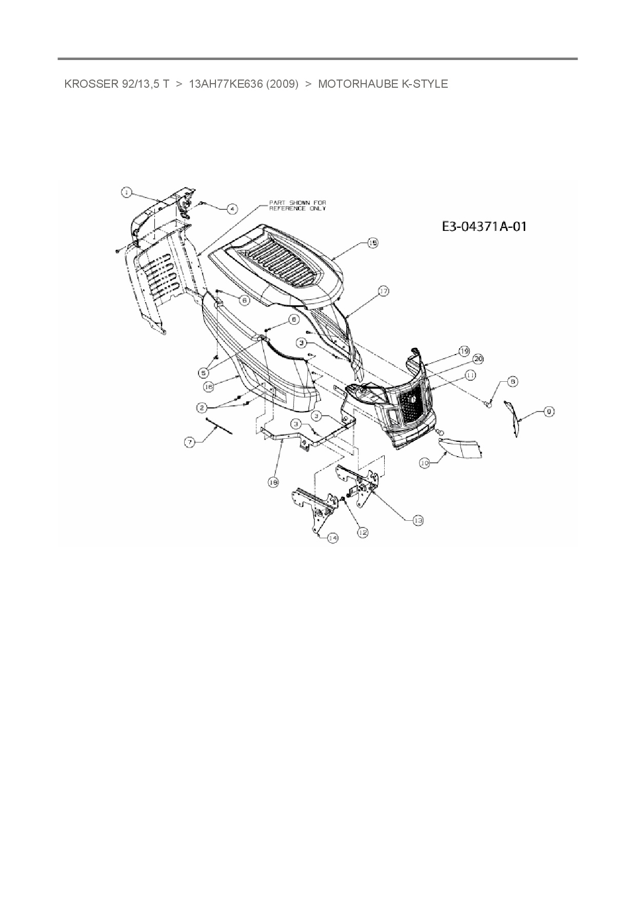
Zeichnung Motorhaube K-Style

Die Ersatzteil-Zeichnung für Rasentraktor Oleo-Mac Krosser 92/13,5 T als Download:
Download Ersatzteil-Zeichnung Oleo-Mac Krosser 92/13,5 T Zeichnung Motorhaube K-Style (PDF-Format)
Download Ersatzteil-Zeichnung Oleo-Mac Krosser 92/13,5 T Zeichnung Motorhaube K-Style (JPG-Format)

Sollten Sie Fragen zu einem Ersatzteil haben, können Sie uns gerne eine E-Mail (mit einem Foto vom Typenschild Ihres Gerätes) schreiben oder eine Ersatzteilanfrage stellen.

Ersatzteile für Rasentraktor Oleo-Mac Krosser 92/13,5 T aus der Zeichnung Motorhaube K-Style:
Artikel 1 - 14 von 14

5,88 € *
Lieferzeit: 2 - 10 Werktage
9,13 € *
Lieferzeit: 2 - 10 Werktage
102,96 € *
Lieferzeit: 2 - 10 Werktage

Artikel 1 - 14 von 14