Motorhaube 1-Style

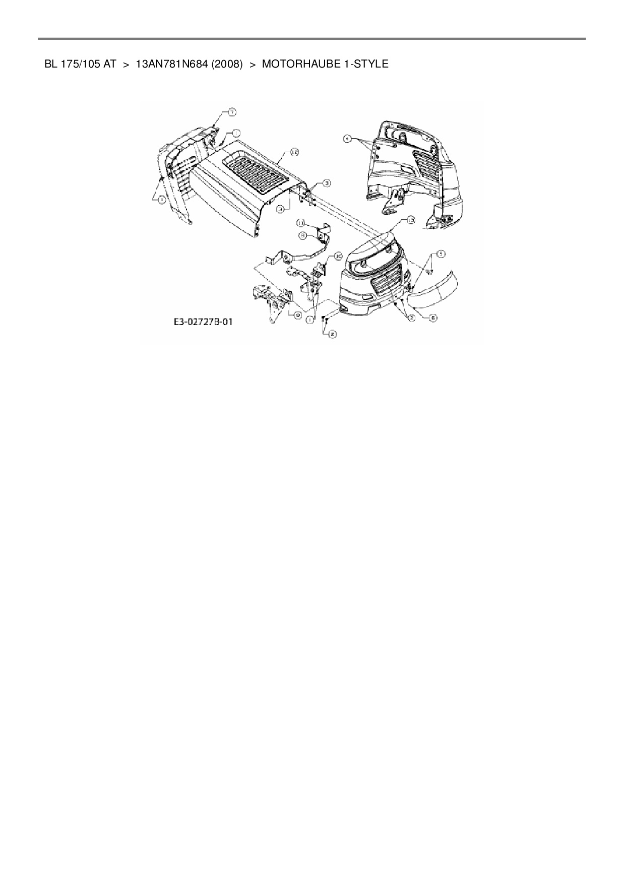
Zeichnung für Bolens Rasentraktor BL 175/105 AT mit der Geräte-Artikelnr. 13AN781N684 ab Baujahr 2008:

Zeichnung Motorhaube 1-Style

Die Ersatzteil-Zeichnung für Rasentraktor Bolens BL 175/105 AT als Download:
Download Ersatzteil-Zeichnung Bolens BL 175/105 AT Zeichnung Motorhaube 1-Style (PDF-Format)
Download Ersatzteil-Zeichnung Bolens BL 175/105 AT Zeichnung Motorhaube 1-Style (JPG-Format)

Sollten Sie Fragen zu einem Ersatzteil haben, können Sie uns gerne eine E-Mail (mit einem Foto vom Typenschild Ihres Gerätes) schreiben oder eine Ersatzteilanfrage stellen.

Ersatzteile für Rasentraktor Bolens BL 175/105 AT aus der Zeichnung Motorhaube 1-Style:
Artikel 1 - 10 von 15


Artikel 1 - 10 von 15