Motor

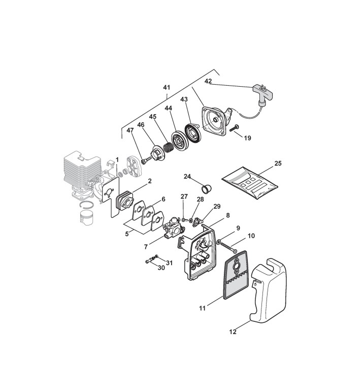
Zeichnung von Castelgarden Benzin Freischneider XB 45 P (284620003/05) ab 2009:

Klicken Sie auf diese Zeichnung

Sollten Sie Fragen zu einem Ersatzteil haben, können Sie uns gerne eine Ersatzteilanfrage stellen.

Hier finden Sie alle Ersatzteile von Castelgarden Benzin Freischneider XB 45 P (284620003/05) ab 2009 aus der Zeichnung Motor:
Artikel 1 - 20 von 20


Artikel 1 - 20 von 20