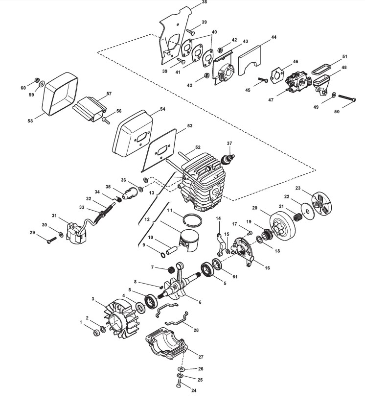
Motor

Zeichnungen von Alpina Kettensägen P 472 mit Geräte Nr. 224118000/08 ab Baujahr 2010

Zeichnung


Beachten Sie bitte, dass die Gerätebezeichnung Alpina Kettensägen P 472, das Baujahr ab 2010 und die Geräte Nr. 224118000/08 lauten muss, denn nur so kann sichergestellt werden, dass das Ersatzteil passt.
Hier finden Sie alle Ersatzteile von Alpina Kettensägen P 472 (224118000/08) ab Bj. 2010:
Artikel 1 - 20 von 35

65,47 € *
Lieferzeit: 2 - 10 Werktage
4,23 € *
Lieferzeit: 2 - 10 Werktage
10,37 € *
Lieferzeit: 2 - 10 Werktage

Artikel 1 - 20 von 35