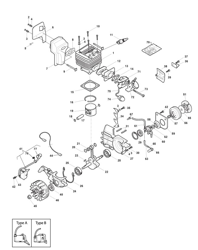
Motor

Zeichnungen von Alpina Kettensägen C 41 T mit Geräte Nr. 204016100/11 ab Baujahr 2015

Zeichnung


Beachten Sie bitte, dass die Gerätebezeichnung Alpina Kettensägen C 41 T, das Baujahr ab 2015 und die Geräte Nr. 204016100/11 lauten muss, denn nur so kann sichergestellt werden, dass das Ersatzteil passt.
Hier finden Sie alle Ersatzteile von Alpina Kettensägen C 41 T (204016100/11) ab Bj. 2015:
Artikel 1 - 20 von 63

4,38 € *
Lieferzeit: 2 - 10 Werktage
137,07 € *
Lieferzeit: 2 - 10 Werktage
64,94 € *
Lieferzeit: 2 - 10 Werktage
70,05 € *
Lieferzeit: 2 - 10 Werktage