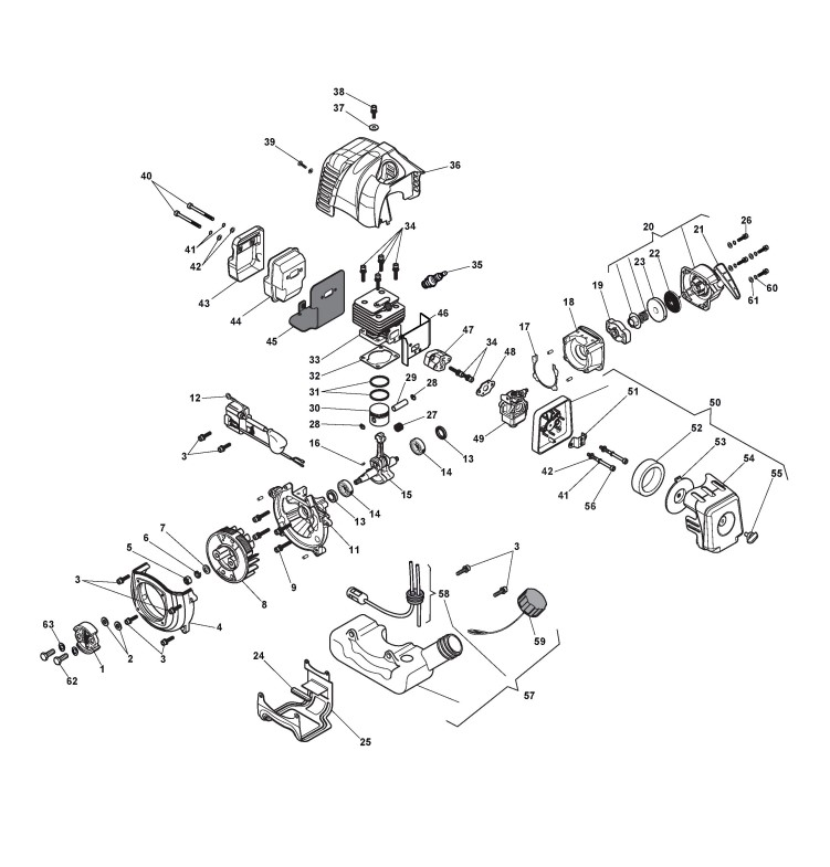
Motor

Zeichnungen von Alpina Rasentrimmer/Freischneider TB 250 JD mit Geräte Nr. 286121100/13 ab Baujahr 2018

Zeichnung


Beachten Sie bitte, dass die Gerätebezeichnung Alpina Rasentrimmer/Freischneider TB 250 JD, das Baujahr ab 2018 und die Geräte Nr. 286121100/13 lauten muss, denn nur so kann sichergestellt werden, dass das Ersatzteil passt.
Hier finden Sie alle Ersatzteile von Alpina Rasentrimmer/Freischneider TB 250 JD (286121100/13) ab Bj. 2018:
Artikel 1 - 20 von 56


Artikel 1 - 20 von 56