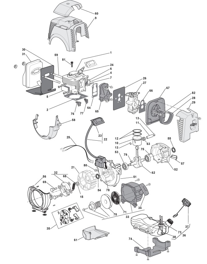
Motor

Zeichnungen von Alpina Rasentrimmer/Freischneider CB 51 FS mit Geräte Nr. 281722001/09 ab Baujahr 2010

Zeichnung


Beachten Sie bitte, dass die Gerätebezeichnung Alpina Rasentrimmer/Freischneider CB 51 FS, das Baujahr ab 2010 und die Geräte Nr. 281722001/09 lauten muss, denn nur so kann sichergestellt werden, dass das Ersatzteil passt.
Hier finden Sie alle Ersatzteile von Alpina Rasentrimmer/Freischneider CB 51 FS (281722001/09) ab Bj. 2010:
Artikel 1 - 20 von 34


Artikel 1 - 20 von 34