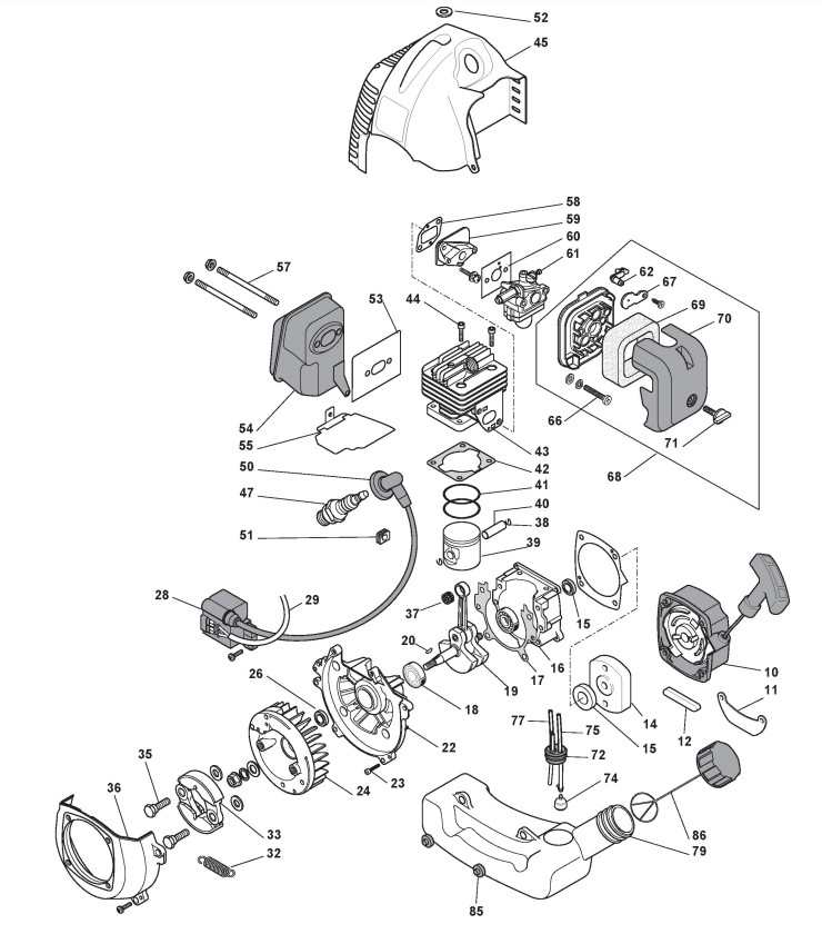
Motor

Zeichnungen von Alpina Rasentrimmer/Freischneider BJC 345 F mit Geräte Nr. 285422011/10 ab Baujahr 2012

Zeichnung


Beachten Sie bitte, dass die Gerätebezeichnung Alpina Rasentrimmer/Freischneider BJC 345 F, das Baujahr ab 2012 und die Geräte Nr. 285422011/10 lauten muss, denn nur so kann sichergestellt werden, dass das Ersatzteil passt.
Hier finden Sie alle Ersatzteile von Alpina Rasentrimmer/Freischneider BJC 345 F (285422011/10) ab Bj. 2012:
Artikel 1 - 20 von 37


Artikel 1 - 20 von 37