Motor

Zeichnungen von Alpina Rasentrimmer/Freischneider BJC 335 mit Geräte Nr. 285320001/10 ab Baujahr 2010

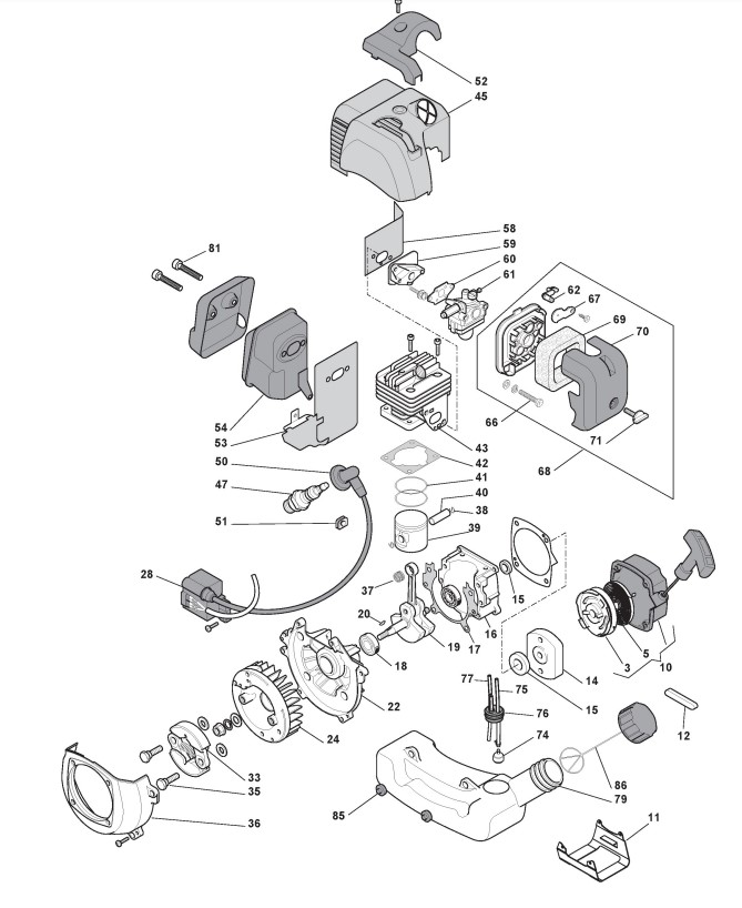
Zeichnung


Beachten Sie bitte, dass die Gerätebezeichnung Alpina Rasentrimmer/Freischneider BJC 335, das Baujahr ab 2010 und die Geräte Nr. 285320001/10 lauten muss, denn nur so kann sichergestellt werden, dass das Ersatzteil passt.
Hier finden Sie alle Ersatzteile von Alpina Rasentrimmer/Freischneider BJC 335 (285320001/10) ab Bj. 2010:
Artikel 1 - 20 von 43


Artikel 1 - 20 von 43