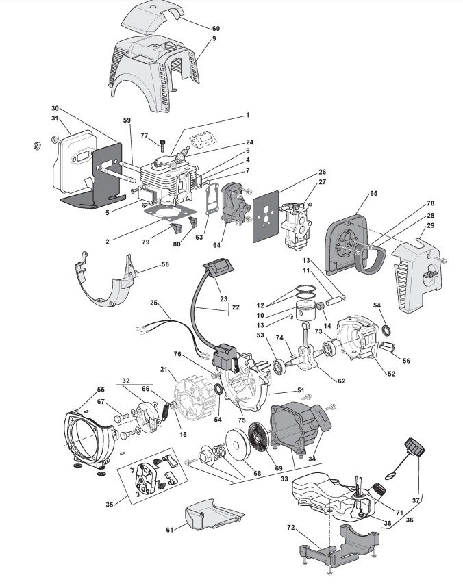
Motor

Zeichnungen von Alpina Rasentrimmer/Freischneider BC 35 DS mit Geräte Nr. 281521000/ALX ab Baujahr 2012

Zeichnung


Beachten Sie bitte, dass die Gerätebezeichnung Alpina Rasentrimmer/Freischneider BC 35 DS, das Baujahr ab 2012 und die Geräte Nr. 281521000/ALX lauten muss, denn nur so kann sichergestellt werden, dass das Ersatzteil passt.
Hier finden Sie alle Ersatzteile von Alpina Rasentrimmer/Freischneider BC 35 DS (281521000/ALX) ab Bj. 2012:
Artikel 1 - 20 von 27


Artikel 1 - 20 von 27