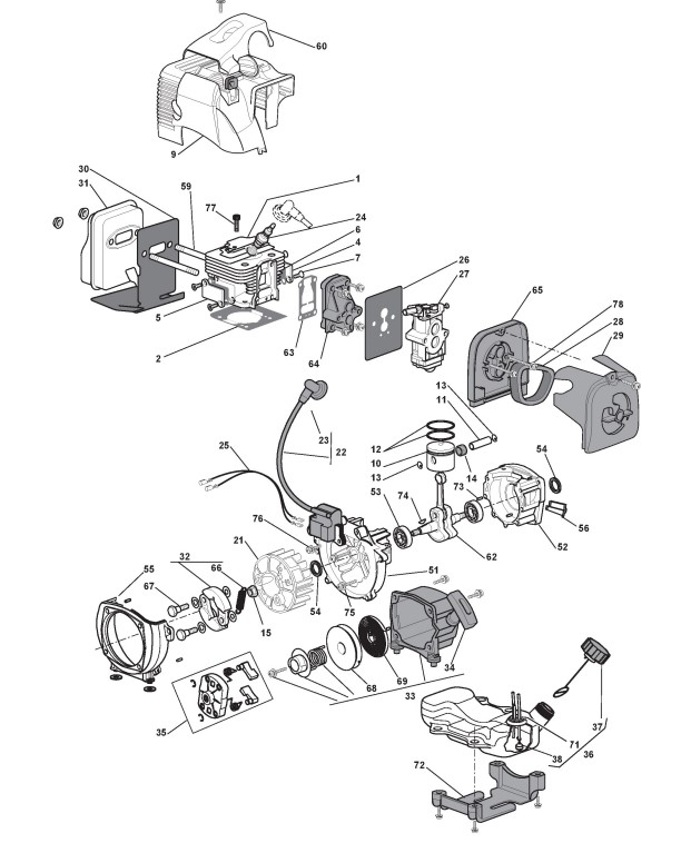
Motor

Zeichnungen von Alpina Rasentrimmer/Freischneider BC 35 D mit Geräte Nr. 283821000/ALX ab Baujahr 2010

Zeichnung


Beachten Sie bitte, dass die Gerätebezeichnung Alpina Rasentrimmer/Freischneider BC 35 D, das Baujahr ab 2010 und die Geräte Nr. 283821000/ALX lauten muss, denn nur so kann sichergestellt werden, dass das Ersatzteil passt.
Hier finden Sie alle Ersatzteile von Alpina Rasentrimmer/Freischneider BC 35 D (283821000/ALX) ab Bj. 2010:
Artikel 1 - 20 von 25


Artikel 1 - 20 von 25