Motor

Zeichnungen von Alpina Rasentrimmer/Freischneider B 44 D mit Geräte Nr. 280321000/12 ab Baujahr 2012

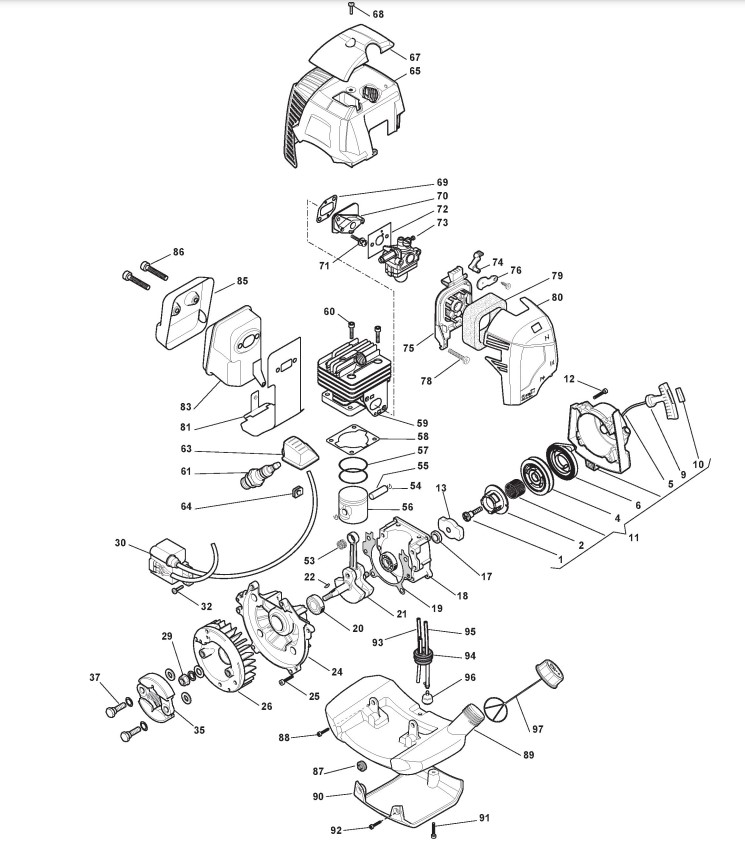
Zeichnung


Beachten Sie bitte, dass die Gerätebezeichnung Alpina Rasentrimmer/Freischneider B 44 D, das Baujahr ab 2012 und die Geräte Nr. 280321000/12 lauten muss, denn nur so kann sichergestellt werden, dass das Ersatzteil passt.
Hier finden Sie alle Ersatzteile von Alpina Rasentrimmer/Freischneider B 44 D (280321000/12) ab Bj. 2012:
Artikel 1 - 10 von 56