Motor

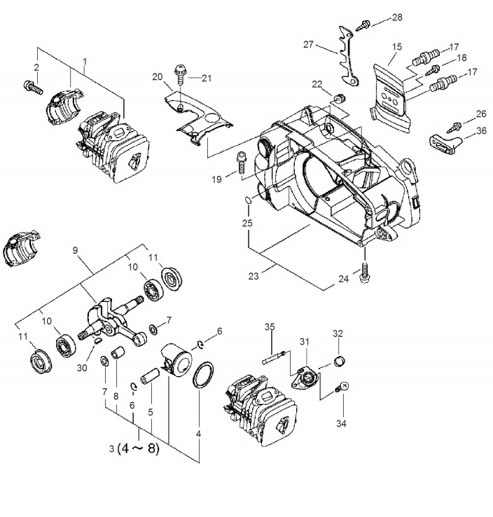
Zeichnung von ECHO Motorsägen CS-350TES CS-350TES bis S.-Nr.: 36035770 Motor:

Klicken Sie auf diese Zeichnung

Sollten Sie Fragen zu einem Ersatzteil haben, können Sie uns gerne eine Ersatzteilanfrage stellen.

Hier finden Sie alle Ersatzteile von ECHO Motorsägen CS-350TES CS-350TES bis S.-Nr.: 36035770:
Artikel 1 - 20 von 24


Artikel 1 - 20 von 24