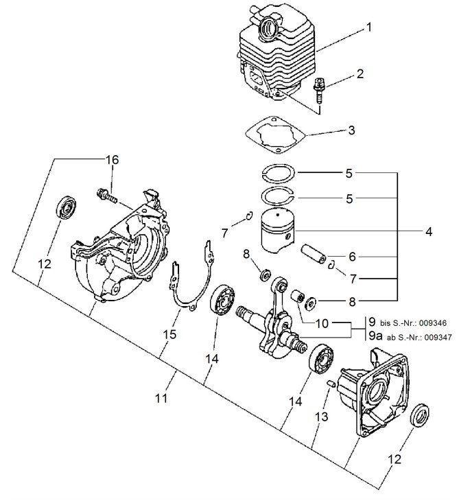
Motor, -gehäuse

Zeichnung von ECHO Laubbläser, tragbar PB-2405 Motor, -gehäuse:

Klicken Sie auf diese Zeichnung

Sollten Sie Fragen zu einem Ersatzteil haben, können Sie uns gerne eine Ersatzteilanfrage stellen.

Hier finden Sie alle Ersatzteile von ECHO Laubbläser, tragbar PB-2405:
Artikel 1 - 11 von 11


Artikel 1 - 11 von 11